Instalación de contadores trifásicos en sistemas bifásicos
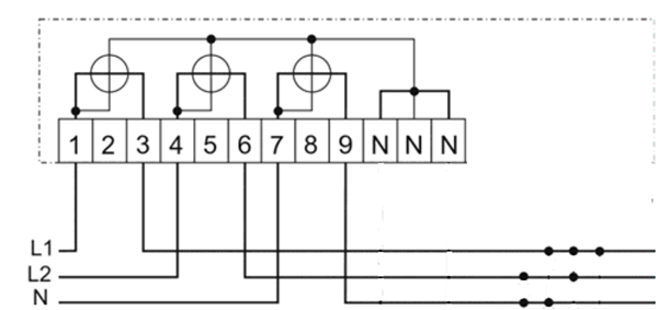
Quisiera saber que es lo que pasa si conecto a un contador de energía trifásico de 3 fases 4 hilos un sistema bifásico 2 fases 3 hilos de la siguiente manera:
Una L1 a la primera bobina, L2 a la segunda bobina y el neutro a la tercera bobina.

La consulta es porque encontré un totalizador conectado de esta manera y quisiera saber si me ha afectado en algo el registro de energía
3 Respuestas
                    Respuesta de albert buscapolos Ing°                
                
        
        
            
                2
              
        
        
        
            
            
        
    
                
                    Respuesta de David Tupak                
                
        
        
            
                1
              
        
        
        
            
            
        
    
                
                    Respuesta de pascual  arevalo delgado                
                
        
        
            
                1
              
        
        
        
            
            
        
    
                

 
        
