Actividad pública reciente
Ha valorado "Buena" la respuesta
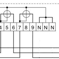
Instalación de contadores trifásicos en sistemas bifásicos
Ha empezado a seguir el tema Programación
Ha empezado a seguir el tema Redes de computadores
