Resistencia quemada en fuente ATX
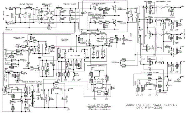
Se trata de una fuente ATX 110v/220v 550W-PIV que no funcionaba, la he abierto y pude ver varios componentes dañados como filtros y 2 resistencias, de las cuales una estaba carbonizada y no se puede ver su valor y con el tester me marca 68 ohms, es grande (como de 2W) y se encuentra en el secundario conectando con parte para el cable morado




Respuesta de sagar harish
2 respuestas más de otros expertos
Respuesta de Botijo Antiguo
Respuesta de Vanatta Thomas

