Duda sobre el reglamento eléctrico
Estaba estudiando una parte del reglamento eléctrico del Uruguay, concretamente en relación a los tipos de suministros eléctricos y su clasificación.
Desde el punto de vista de su distribución, el sistema puede ser it o tt.
Con relación al tipo de red que los alimenta puede ser aérea o subterránea. También se clasifican tomando en cuenta el agrupamiento de los puestos de medida (indivisuales y centralizados.
Ahora en la ultima parte, señala que desde el punto de vista de los instrumentos con que se realiza la medida, puede ser : medida directa o indirecta
¿Ustedes saben que quiere decir con medida directa o indirecta?
Los contadores normales se conectan directamente a la línea a medir, pero hasta cierta cantidad de corriente no es práctico construir contadores o amperimetros para cientos de amperios.
Entonces lo que se utiliza son transformadores de corriente, que se conectan en serie en la fase que mide.
Se construyen de manera que su secundario da 5A como maximo, y se venden de diferentes relaciones, por ejemplo 100/5A, 200/5A, 500/5A, 2000/5A...
Por ejemplo con un transformador de 500/5A, cuando se consuman 200A por el secundario solo pasan 2A, si la carga aumenta hasta 500A por el secundario pasan 5A. Y así proporcionalmente.
Los amperimetros y contadores se construyen o programan para dar la rectora real a partir de la corriente que le hace pasar el secundario del TC. Es decir, tanto los aparatos de medida como los transformadores llevan una relación X/5A, y deben coincidir.
En España se hace medida indirecta a partir de 80A, ya que la directa solo se hace hasta 63A. Las compañías en sus normas particulares tienen normalizados conjuntos de medida hasta 1600 o 2000A.
Hola gracias por la respuesta que dicho sea de paso es muy productiva.
A ver si entiendo..., o sea que cuando en una casa de familia o en una fabrica hay un consumo de corriente que sobrepasa los 80 Amperios, la compañía eléctrica no coloca un contador común como los que vemos habitualmente en casas o condominios sino que pone un transformador de corriente en serie con uno de los cables de alimentación que puede ser fase o neutro.
¿Es así?
Yo personalmente nunca he visto uno...¿Dónde esta instalado concretamente?
De antemano, gracias por responder...
En el reglamento encontré un párrafo que dice que la medida es indirecta con un traf de corriente cuando el suministro sobrepasa los 100 A...
Pero insisto que nunca me he topado con uno, por eso pregunto en que parte se colocan ...
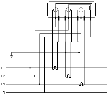
En realidad los suministros eléctricos con TC son trifásicos.
Según el nivel de potencia, la monofásica tiene un límite, cuando se necesita más potencia se utilizan dos fases y neutro (doble monofásico también conocido como bifásico) para tener más potencia y si todavía se necesita más potencia se utiliza trifásica 4 hilos. Hay países en donde no se hacen suministros doble monofásicos, como es el caso de España.
Aquí si superas el máximo de la monofásica, que son 63A - 14,49kW, tendrás que cambiar a trifásica.
Por lo tanto si tienes monofásica y necesitas aumentar potencia, no te pondrán un TC, si no que te darán dos o tres fases.
Esto es por que los consumos a gran potencia solo se permiten en trifásico, para no producir un espectacular desbalanceado de fases. Entonces los transformadores de corriente solo se utilizan en suministros trifásicos, y se instala un TC en serie con cada fase, y del neutro solo se deriva un cable para llevarlo al borne neutro del contador o medidor.
Estos contadores se utilizan en locales en donde se requiere gran potencia, ya sea por extensión o por haber máquinas.
Por otra parte debes tener en cuenta que los límites de la monofásica así como la potencia trifásica a partir de la que se utiliza medida indirecta, cambian según el país, por ejemplo en UK se utiliza monofásica hasta 100A y en España sólo hasta 63A. En USA se utiliza medida directa hasta 200A, en España la utilizamos a partir de 80A, lo que nos permite utilizar contadores menos aparatosos. Deberás averiguar los límites en tu país.
Entonces, la medida indirecta se refiere a la medida del consumo eléctrico indirectamente a través de un TC cuando la potencia es grande y la red es trifásica
Pero hay algo que no entiendo:
Tu me dices que los transformadores de corriente solo se utilizan en suministros trifásicos, y se instala un TC en serie con cada fase, y del neutro solo se deriva un cable para llevarlo al borne neutro del contador o medidor..
Pero si la medida del consumo se hace a través del TC ...; ¿Entonces para que se pone un medidor?
¿Ese TC se coloca en el poste, o en que lugar del predio?
¿A cuántos metros de altura?
Gracias
El TC hace la relación x/5A, para que al medidor nunca le pasen más de 5A, ela medidor se necesita igual, por que es lo que mide energía en kWh.
Los TC se instalan en un cuadro o tablero modular que incluye 3 TCs, el contador y otros elementos.
Este cuadro se llama equipo de medida (por lo menos en España) y se instala en el mismo lugar en donde se montaría un contador normal.
Esta es una foto de un equipo de medida:
http://motecan.com/motecan/foto5.png
La imagen no es grande, pero se puede apreciar igual, gracias
Yo había visto la imagen de uno pero en la parte superior de una columna a la intemperie.
De manera que en ese cuadro se colocan 3 TC, ¿supongo para el caso de que uno de ellos se rompa y se puede usar el otro cierto?
Ese podría ser el cuadro de una casa o una finca o industria, ¿qué consume más de 63 A verdad?
Mi consejo es que si no entiendes algo lo leas varias veces.
Este sistema de medida indirecta se utiliza solo en suministros trifásicos, entonces se deduce que cada uno de los 3 TC va en serie con una fase.
En el cuadro puedes ver que hay los 3 TC y abajo un borne para el neutro. En un lado llegan las 3 fases y el neutro desde la red de distribución y del otro lado salen los 4 cables que componen la línea trifásica y van al interruptor general del cuadro general del local, tal como dices, una industria que consume más de 63A, por ejemplo. Pero eso es en España, contadores directos hasta 63A e indirectos a partir de 80A, quizá en tu país no sean los mismos límites.
El transformador que viste en una columna podría ser para una subestación por ejemplo. En baja tensión son como los de la foto pero existen modelos especiales para media y alta tensión, tanto de interior como de intemperie.
Si..., precisamente voy a imprimir todas las respuestas para leerlas con tranquilidad y asimilarlas mejor.
Pero lo que me pregunto es para que se usan 3 TC's, ¿no es suficiente con la medición de uno?
Gracias
Y por otro lado si contadores directos hasta 63 e indirectos hasta 80 A ¿Qué pasa cuando hay un consumo cuyo valor esta en el medio de 63 y 80 A como por ejemplo 75 A por poner algún valor en esa franja?
Si sabes bien como funciona el contador o medidor trifasico 4 hilos de 3 vatimetros entenderás por que son necesarios 3 TC.
El caso que propones de la potencia intermedia, pienso que depende de muchos factores. Si fuera una instalación nueva, sabiendo que va a haber una carga constante de 75A, lo lógico sería dimensionar la instalación para un mínimo de 100A. El equipo de medida ya tendría que ser indirecto por superar los 63A.
Si es una instalación existente y en funcionamiento, si se trata de una nueva carga añadida, habría que ver si la propia instalación puede con esta nueva carga, por otra parte el equipo de medida si es directo en principio estara limitado a 63A, por lo tanto tocará tramitar un aumento. Cierto es que los contadores trifasicos admiten hasta 80A, quizá la compañía te permita 'estirar' tu potencia hasta 80A si la instalación puede soportarlo, pero es algo que no está normalizado así que poniéndote en lo peor necesitarías hacer un aumento de potencia con un equipo de medida indirecta, muy probablemente cambiar acometida y derivación hasta el local, etc. De hecho esta última opción sería la más favorable de cara a evitar calentamientos de cable.
Ten en cuenta que en instalaciones de enlace y equipos de medida pesa mucho el criterio de la compañía o distribuidora
Aun no me he ocupado en estudiar como funciona un contador, se que el que se usaba antes con una ruda giratoria funciona por un principio de electromagnetismo pero no profundize en el tema. Es que el campo de la electricidad están vasto que es imposible abarcar todo...
Aprecio y agradezco por tus respuestas, fueron muy útiles. Saludos
Ya entendí porque se colocan 3 TC, es para que cada uno mida cada fase del contador.
Ahora, si son transformadores monofásicos, una terminal del secundario se conecta a una de las 3 fases del contador. Donde iría la otra, no lo se ; supongo que no quedara bailando...
Por otro lado, una idea que se me ocurre para no usar 3 TC, seria usar uno trifásico con el secundario con 3 terminales...
- Compartir respuesta
1 respuesta más de otro experto
Me puedes dar la direecion de la pagina para ver de que estamos hablando
- Compartir respuesta

No le quedó claro que este sistema se usa en caso de requerir más potencia en monofásica que la que entregarían 63Amp ... a partir de esa potencia (en España) se obliga a contratar trifásica.. y al contratar trifásica para una mayor potencia, Las 3 Fases llevarían incorporado el transformador de intensidad; que en Uruguay seguramente se llamará "Shunt" de carga ... (soy argentino) ... - Mario Gomez