Me podrías recomendar con un conmutador de 3 posiciones giratoria ?
Necesito conectar corriente de una red y de un generador, podrías pasarme algún esquema de cómo instalarlo, ya que lo necesitaría para alumbrado, y para un cuadro eléctrico que lleva aparte, ¿debería puentear alumbrado y el cuadro a ambas posiciones no?
2 Respuestas
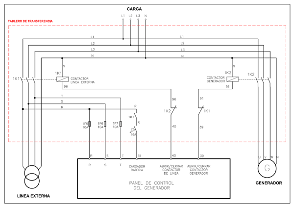
Lo más seguro (y habitual) es que realices la conmutación con dos contactores con enclavamientio (tanto mecánico, como eléctrico). Casi todos los fabricantes tienen conmutaciones red-grupo (que es así como las llaman) ya montadas y con distintas intensidades.
Piensa que los conmutadores tienen una intensidad de trabajo relativamente "baja" y, por tanto, su uso dependerá de la carga total que quieras controlar.
Muchas gracias!! Esa ya lo tengo lo único que me haría falta sería conectar el conmutador pero tengo esa duda que es conexionado y no encuentro un esquema para poder verlo
El conmutador tiene que comandar las bobinas (o una o la otra) del grupo de conmutación.
Al común del conmutador fase. A la salida en la posición 1 a una bobina (del grupo de conmutación). A la salida de la posición 2 la otra bobina. El otro lado de ambas bobinas a neutro.
Sergio Rull
Le comento el que tengo viene con numero mientras que en 0 no tengo continuidad en ningún polo, 1/2 5/6 9/10 13/14 en posición 2 y 3/4 7/8 11/12 15/16 en la posición 1 la cuestión en conecto generador por ejemplo en 1/2( generador ) y 3/4 (Red) donde conecto el alumbrado y el cuadro eléctrico??
El conmutador tienes que usarlo para excitar las bobinas (una o la otra). Por tanto, si tienes dos contactores con enclavamiento tendrás lo siguienta:
- A1 y A2 de contactor 1. Son los contactos de la bobina 1. Permíteme que los llame A1-1 y A2-1.
- A1 y A2 de contactor 2. Son los contactos de la bobina 2. Permíteme que los llame A1-2 y A2-2.
- 11, 13, 15 y 17 (o algo similar) del contactor 1. Son las entradas de los contactos de fuerza. Permíteme que los llame 11-1, 13-1, 15-1 y 17-1.
- 11, 13, 15 y 17 (o algo similar) del contactor 2. Son las entradas de los contactos de fuerza. Permíteme que los llame 11-2, 13-2, 15-2 y 17-2.
- 12, 14, 16 y 18 (o algo similar) del contactor 1. Son las salidas de los contactos de fuerza. Permíteme que los llame 12-1, 14-1, 16-1 y 18-1.
- 12, 14, 16 y 18 (o algo similar) del contactor 2. Son las salidas de los contactos de fuerza. Permíteme que los llame 12-2, 14-2, 16-2 y 18-2.
Como se conecta, por ejemplo:
- A1-1 y A1-2 a Neutro
- A2-1 a la salida 1 del conmutador.
- A2-2 a la salida 2 del conmutador.
- 11-1, 13-1 y 15-1 a red (cada uno a una fase si es trifásico).
- 17-1 a red (Neutro)
- 11-2, 13-2 15-2 a grupo (cada uno a una fase si es trifásico).
- 17-2 a grupo (Neutro)
- 12-1 tiene que estar puenteado con 12-2 y se conecta al circuito de alumbrado (fase 1 o R) y al cuadro (fase 1 o R) .
- 14-1 tiene que estar puenteado con 14-2 y se conecta al circuito de alumbrado (fase 2 o S) y al cuadro (fase 2 o S) .
- 16-1 tiene que estar puenteado con 16-2 y se conecta al circuito de alumbrado (fase 3 o T) y al cuadro (fase 3 o T) .
- 18-1 tiene que estar puenteado con 18-2 y se conecta al circuito de alumbrado (Neutro) y al cuadro (Neutro) .
Normalmente, si compras un grupo de contactores red-grupo ya montado los puentes vienen hechos.
Intentaré buscarte un esquema tipo, pero al final es como te he indicado (Las entradas de fuerza a red o a grupo y las salidas de fuerza puenteadas entre ellas a los receptores quenecesites).
Con la numeración que indicas irá así:
- 1, 5 y 9 entradas de fase (R, S y T) de red.
- 13 entrada de Neutro de red.
- 3, 7 y 11 entradas de fase (R, S, T) de grupo.
- 15 entrada de Neutro de grupo.
- Puentear 2 con 4 y es la salida de fase (R) de utilización (Fase R de alumbrados y cuadro).
- Puentear 6 con 8 y es la salida de fase (S) de utilización (Fase S de alumbrados y cuadro).
- Puentear 10 con 12 y es la salida de fase (T) de utilización (Fase T de alumbrados y cuadro).
- Puentear 14 con 16 y es la salida de Neutro de utilización (Neutro de alumbrados y cuadro).
Eso es precisamente lo que necesitaba muchísimas gracias por la información me has servido de gran ayuda, mil gracias por el tiempo un saludo
De nada, para eso estamos.
Solo una observación. Mucho cuidado con los neutros, si fallan pondrás toda la instalación a 400v. Recuerda la regla de oro. El Neutro es el último que se desconecta y el primero que se conecta y que queden firme y correctamente apretados.
Si pones unas fotos seria mejor.
Con lo último que has indicado entiendo que nuestras salidas de utilización (alumbrado y cuadro) son 1 ó 3 fase R, 5 ó 7 fase S, 9 u 11 fase T y 13 ó 15 Neutro.
Las entradas de red serán: 2 (Fase R), 6 (Fase S), 10 (Fase T) y 14 (Neutro).
Las entradas de grupo serán: 4 (Fase R), 8 (Fase S), 12 (Fase T) y 16 (Neutro)..
Con esta configuración, si no te he entendido mal, no tendrás que hacer ni quitar puentes (deja los que vienen de origen).
- Compartir respuesta
De proveerse de un conmutador rotatorio del estilo del que muestra la figura.
Consulte con un distribuidor de material eléctrico industrial.
En la posición central (0) debe tener los cables que van a la utilización, y en las 1 y 2 las alimentaciones respectivas, de forma, que tenga una en cada lado.
Como me imagino que ambos suministros son monofásicos (2 cables), debe tener 6 sitios donde alojar los cables. 2 que alojan la utilización, y dos parejas de otros dos, para ambos suministros.
Nunca un circuito debe quedar puenteado, pues se produciría un cortocircuito, sino conmutar la utilización a uno u otro suministro.
Muchas gracias por la rápida respuesta, pero aún sigue sin despejarme del todo las dudas el interruptor es el mismo salvo que tienes 16 conexiones digamos, y si es a 220ac lo que único que no me queda claro es el conexionado para alimentar cuadro y alumbrado estando en posición 0 si usted tuviera un pequeño esquema me serviría de gran ayuda
Hay conmutadores de más posiciones, y más circuitos. El que Vd necesita debe ser de 3 posiciones (1 muerta la 0) y 2 circuitos. Como le dije 6 terminales. Si tiene uno con 16 terminales, habría que estudiar cuales utilizar y muchos sobrarían.
Los hay de muchas marcas, y a veces los terminales vienen marcados con números o letras, que se especifican en algún lugar del cuerpo del mismo, en la caja o en un prospecto.
- Compartir respuesta
