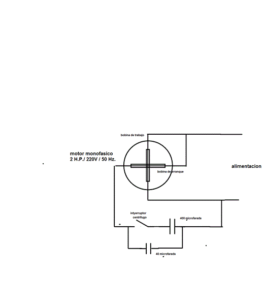
Capacidad del capacitor para un motor de 2hp. De 220v monofásico
Que Capacidad debe tener el capacitor para un motor de 2hp. Compresor de aire comprimido. De 220v monofásico, de 5amp y 50hz
Yo le probé con un capacitor de 35 micro F, y no puede arrancar. Le probé con 2 capacitor de 35 en paralelo y funciona.
Comprobé las bobinas no están en corto.
2 respuestas
Respuesta de albert buscapolos Ing°
1
Respuesta de Josias Maestre

Graciassss..... - Mario Gomez