Conectar un motor de campana extractora
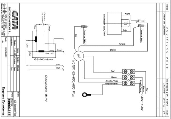
Tengo un motor de un extractor de humos CATA GS-600.
Del motor salen 6 cables: amarillo(Tierra), rojo, azul blanco, gris y marrón
¿Cómo puedo saber a cuales debo dales corriente o si debo unir alguno de ellos para que el motor funcione a máxima velocidad?
Respuesta de Daniel MP
1
1 respuesta más de otro experto
Respuesta de Botijo Antiguo
2
