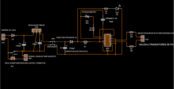
Amplificar salida de oscilador 4047 con transistor pnp o npn
Tengo un inverter, que se compone de un oscilador y varios mosfets en paralelo, el caso es que la salida del inverter que me genera una onda cuadrada modificada en la salida de dos patas del pic 4047, me produce una señal de pulso, pero con bajo voltaje que no me deja tensión suficiente para hacer entrar en conducción tantos mosfets en paralelo. El caso es que quería amplificar esta señal, que solo es un pulso de 60 hz, y hacerlo con los transistores que tengo. Y solo dispongo de 2n222 y BD140, el bd140 creo que es mejor, porque es para potencias medias, pero es un transistor pnp, y no se como hacerlo... La señal que genera el pic serán unos 5 voltios y unos cuantos miliamperios, y yo quiero amplificarlo a 12 voltios con mínimo 0,5 amperios.


