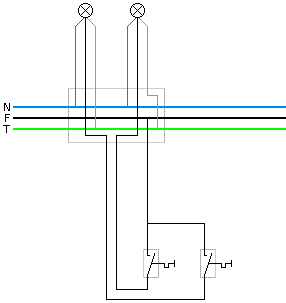
Al final he encontrado una caja por la que pasan varios cables
Debajo de ella a 1,40m quiero poner un interruptor. Con un buscapolos he comprobado que dos de los cables lo encienden y encienden la luz de un portalamparas. También he comprobado apagando el magnetotermo que se apaga con el de iluminación.
Por respuestas anteriores de expertos es posible que mis cables sean Fase.
Sean ambos Fase o Fase y Neutro ¿Puedo coger ambos para llevarlos uno al interruptor y el otro junto con el Tierra y los vuelta al techo para encender una lámpara con doble interruptor?
3 respuestas
Respuesta de David Tupak
2
Respuesta de increscendo
1
Respuesta de ajbxxx
1



Excelente, David Tupak .... gracias. - Mario Gomez