Nivel de valvulina caja de cambios laguna 2 fase1, pk6 120cv
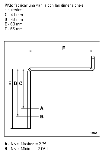
Me gustaría medir la valvulina de un renault laguna 2 (diesel), fase 1, 120 cv dci, caja de 6 velocidades pk6. Tengo hecho el útil especial para medirlo, pero no se por donde hay que hacerlo (¿agujero de llenado?). La capacidad la se, es 2.4 l.
2 respuestas
Respuesta de marcoss99
1
Respuesta de crketal
1







