Demostración de identidades con áreas
como demuestro usando áreas las siguientes identidades
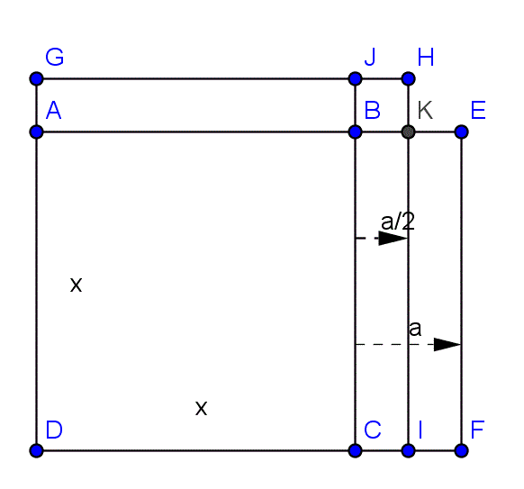
a) x^2 + ax = (x+ a/2 )^2 - ( a/2)^2
b) (a+b+c)^2 = a^2 + b^2 + 2ab + 2bc + 2ac
1 respuesta
Respuesta de Valero Angel Serrano Mercadal
1
