Javier Jiménez

Javier Jiménez

 España @javierjimenez3 desde - visto
Preguntar

Preguntas

Pregunta en

Al desaguar sale agua por el sumidero del patio

Cuando la piscina desagua sale agua por el sumidero del patio que está al lado de la piscina. ¿Por qué puede ser?
Pregunta en y en 3 temas más

¿Cómo cambiar fusible térmico averiado?

Tengo una manta eléctrica que no funciona. El mando tiene una luz y un led de selección de temperatura que no se encienden. Lo he desmontado y he visto que puenteando el fusible térmico se enciende aunque pasado no mucho tiempo se apaga supongo que...
Pregunta en

Limpiafondo automático se queda parado

Al encender el limpiafondo veo que se aplastan las dos zonas que tiene la manguera que son como de unión para que el comprarla la corten por una de ellas según la medida que quieras. El caso es que si pongo la mano noto que está aspirando pero no se...
Pregunta en y en 2 temas más

Tensar freno de mano de Opel Corsa

¿Cómo se tensa el freno de mano de un Corsa dti de 2008? Si le pongo el freno de mano en cuesta no frena y he visto que en algunos coches se ajusta con una tuerca pero no se si este modelo la tiene junto a la palanca.
Sin respuestas
Pregunta en y en 2 temas más

Calentador eléctrico se apaga cada 24/48 horas

Tengo un calentador eléctrico que desde finales de agosto se apaga cada 24/48 horas. Le pulso un botón rojo que tiene y se vuelve a encender pero se repite el problema. ¿Por qué pasa eso? No se si puede tener algo que ver pero ha coincidido con que...
Pregunta en

¿Cómo reparo la llave de paso de agua general?

La llave de paso de agua general de mi casa no cierra del todo y sigue saliendo agua ( aunque poca ) aunque la cierre del todo. Está empotrada en la pared exterior de la casa y es parecida a esta ( no se como es porque solo se ve la llave de cierre o...
Pregunta en y en 2 temas más

¿Por qué pierde agua la unión de tubería de polietileno con conexión T?

Tengo una tubería de polietileno negro que se une a una conexión T de propileno (negra también) que me pierde agua (una gota) por la parte de la manguera. La he desmontado y vuelto a montar varias veces pero sigue perdiendo esa gotita. En la tienda...
Pregunta en y en 1 temas más

¿Por qué no enciende el termo eléctrico?

Tengo un termo eléctrico Edesa de 50L. Lo desenchufé al irme unos días de vacaciones y ahora al volver a enchufarlo no se enciende el piloto rojo y no sale agua caliente ¿Qué puede ser?

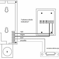
Como instalar Portero electrónico de 2 hilos

He comprado un portero electrónico AVIDSEN -102106 que dice que es de 2 hilos, pero cuando lo he abierto me he encontrado la sorpresa de que lleva 2 hilos solo para el audio y si se quiere instalar el abridor de la puerta hay que pasar otros 2 hilos...

Suscríbete RSS