Juan Antonio  Rosas

Juan Antonio Rosas

"Discutir con una persona fanática que ha renunciado al uso de la razón, es como administrar medicamentos a los muertos" Thomas Paine
 6.025 puntos  Uruguay @emiliosellanes desde - visto
Preguntar

Preguntas

Pregunta en y en 4 temas más

Cómo puedo hacer esta operación en binomica?

Tengo que hacer este cálculo: z2: 20 + 5j z3: 5. -5j. Pero la finalidad es hacer esta operación: Z1 .z2/Z1 + z2, y el planteo quedaría así: zt: (20+5j)x(5-5j)/20+5j +5. -5j el libro da como solucion15+j7 pero yo hago el desarrollo y no me da. Puede...
Sin respuestas
Pregunta en y en 4 temas más

¿Por qué se prende la luz verde cuando pongo las puntas del probador serie?

Arme' un circuito de comando básico de contactor para un motor Iii con boto de marcha y parada. Y luces de señalización verde y rojas más luz amarilla para relé térmico Una vez armado, puse las puntas de un probador serie para ver si estaba todo...
Pregunta en y en 4 temas más

Cómo puedo saber el costo de mi lavadora y mi nevera?

¿Hay forma de determinar el costo final de mi nevera y lavadora?
Pregunta en y en 4 temas más

Que tipo de condensador debo comprar para hacer la conexión steimetzz?

Cómo andan, necesito conectar un motor III de 0,5 HP a una red II de 230 V . Ya hice el cálculo y me da una capacidad de 66 uf. ¿Pero qué clase de condensador necesito? ¿Es el mismo que se usa para la reactiva?
Pregunta en y en 4 temas más

¿Hay bobinas con núcleos de aire? ¿Son el nº de vueltas del rotor iguales a las del estátor en el motor?

He visto que hay ejercicios para calcular la inductancia de una bobina con núcleo de aire; pero ¿Qué sentido tiene eso cuando las bobinas están todas enrolladas en núcleos de hierro? ¿Y la otra duda era saber si el numero de vueltas de las bobinas...
Pregunta en y en 4 temas más

¿Qué representa la L en esta fórmula?

En la fórmula de inductancia: L= N^2 . A . U/l La L en el denominador es la longitud de la bobina o del longitud del núcleo de la bobina
Pregunta en y en 4 temas más

¿Por qué la unidad es metros al cuadrado en esta fórmula?

Vi un ejercicio sobre como se calcula el área de un núcleo de bobina, pero no comprendo las unidades que se manejan El dato es que el diametro del nucleo= 4 mm La fórmula del área es la siguiente: Area= nº pi por (4 . 10^-3 metros)^2, todo dividido...
Pregunta en y en 4 temas más

¿Esta bien este paso de polar a binomica?

En un libro estudio una resta en polar: 20,8 angulo 0º - 12,26 angulo 165º El libro la plantea de la siguiente manera: 20,8 -- (--11,84 + j3,17) El resultado del libro es : 32,79 angulo --5,55º No entiendo porque el 11,84 tiene signo negativo en el...
Pregunta en y en 4 temas más

¿Qué significa que toda onda periódica no sinusoidal puede ser descompuesta como lasuma de ondas sinusoidales?

ENTIENDO QUE un armónico es la distorsión de una onda senoidal de corriente alterna..., pero el teorema de fourier habla de onda no senoidales que pueden ser descompuestas... No entiendo que vendría a ser una suma de ondas espero alguien experta/o me...
Pregunta en y en 4 temas más

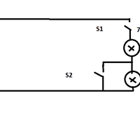
Si S1 y S2 están cerradas, ¿Cómo calculo la R de ambas lámparas conectadas a 230 V?

Si ambas llaves están cerradas .., quiero saber como calculo la R de las lámparas ¿Están ambas lámparas es serie o en paralelo cuando las dos llaves están cerradas? Gracias

Suscríbete RSS