Pregunta   en 
    Ingeniería Electrónica
                
                    
            Informacion sobre un diodo smd o equivalente 74
            Necesito información sobre un diodo smd. En su encapsulado solo pone.. 74 Reemplazo o equivalente
        
    
        
                    Pregunta   en 
    Seguridad en el hogar
                
                    
            Alarma casera con 6sensores pir se dispara sola
            He realizado una alarma la cual se puede conectar 3zonas independientes de 2sensores pir por zona mediante un receptor de 3canales por relés. Estés cierran cada 2sensores para en caso de detectarte no salte la alarma. Pero el problema es que si...
        
    
        
                    Pregunta   en 
    Ingeniería Electrónica
                
                    
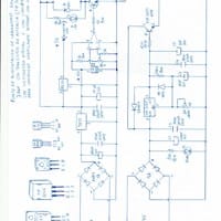
            Fuente de alimentación se calienta el transistor de potencia en exceso
                    Pregunta   en 
    Ingeniería Electrónica
                
                    
            Quien dispone del esquema de la sirena electrónica al3 de cebek
            Hola necesitaba si alguien dispone del diagrama de la sirena electrónica al3 de cebek. [url]http://descargas.cetronic.es/AL-3.pdf .gracias
        
    
        
                Sin respuestas
    
            
        
                    Pregunta   en 
    Ingeniería Electrónica
                
                    
            Esquema de sirena de alarma potente
            Necesitaba el esquema de una sirena de alarma convencional que sea algo potente y con componentes fáciles de conseguir
        
    
        
                    Pregunta   en 
    Fontanería
            
                y en 2  temas más
            
                
                    
            Hidrolimpiadora sale agua sin presión a veces
            Tengo una hidrolimpiadora a presión de kartcher y cuando aprieto el gatillo de la lanza sale el agua a golpes y si le reduzco la presión mediante una rueda giratoria ya no sale a golpes, ¿Eso si con menos presión donde esta el problema?
        
    
        
                Sin respuestas
    
            
        
                    Pregunta   en 
    Ingeniería Electrónica
            
                y en 1  temas más
            
                
                    
            Conexión de un diodo led a 220v
                    Pregunta   en 
    Electrodomésticos
            
                y en 2  temas más
            
                
                    
            Lavavajillas no se pone en modo lavado
            Tengo un lavavajillas marca bosch y no para en el momento de poner en marcha de coger y vaciar agua esta siempre así. El piloto de falta de agua esta encendido pero, si, coge agua. Le he mirado el filtro y esta limpio,¿También tiene el sistema de...
        
    
        
                    Pregunta   en 
    Internet
            
                y en 2  temas más
            
                
                    
            Internet explorer no se abre
            Hoy de repente al abrir internet explorer me sale un aviso de certificado de seguridad y no me abre. Que puedo hacer.
        
    
        
                    Pregunta   en 
    Equipos de video
            
                y en 1  temas más
            
                
                    
            Cable hdmi de dvd al tv no funciona
            He comprado un tv de led y al conectar el dvd por cable hdmi al tv no se ve nada ni se oye
        
    
        
                Sin respuestas
    
            
        
 
                