Pregunta en
Ingeniería Eléctrica
y en 1 temas más
¿Que medida de tensión provoca la averiá?
Pregunta en
Ingeniería Eléctrica
y en 1 temas más
¿Que tensión de las que menciono es incorrecta?
Pregunta en
Ingeniería Electrónica
y en 2 temas más
¿Cual resistencia provoca la avería?
Pregunta en
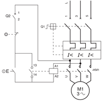
Ingeniería Eléctrica
y en 1 temas más
¿Qué tipo de arranque y variador utilizar para una sentrifugadora industrial?
Estoy realizando un ejercicio de diseño de un automatismo de una centrifugadora industrial, tengo unas cuantas dudas sobre que tipo de arranque utilizar, yo creo que con un arranque estrella-triangulo seria lo correcto pero para estar seguro si...
Pregunta en
Derecho Laboral
Cual es la norma básica en materia de prevención de riesgos laborales?
A) La Ley Orgánica de prevención de riesgos laborales b) La Ley ordinaria de prevención de riesgos laborales c) La constitución Española de 1978 d) El Estatuto de los trabajadores
Pregunta en
Ingeniería Eléctrica
Como calcular la resistencia equivalente de cada bombilla?
Pregunta en
GPS
¿Cómo poner el mapa de europa gratis en el tomtom go 530?
Estoy buscando por internet el mapa de europa para ponerlo en my gps de forma gratuita, pero no consigo encontrarlo, si alguien me pudiera echar un cable de donde conseguirlo y como instalarlo le estaría muy agradecido.
2 preguntas no visibles
