Botijo Antiguo

Botijo Antiguo

Soy ingeniero en Electrónica jubilado
 746K puntos  Cataluña, España @botijo7 desde - visto

Respuestas en Ingeniería Electrónica

Transistor pasar de 2V a 3.3V

Es muy sencillo. La resistencia R1 debe ser tan baja como permita la corriente a extraer del circuito previo. Creo que con 10K valdría. La resistencia R2 tan baja como para que pueda excitar el circuito que sigue. Yo diría 3K3. Si las señales son...

¿Cómo suministro la corriente exacta a una TV LED si la conecto a una batería con inversor?

A los aparatos puramente electrónicos actuales, como un aparato de Tv, no les afecta la forma de onda con la que se les alimenta, por las siguientes razones: El primer órgano que recibe la corriente (después de filtros de armónicos) es un...
Respuesta en y en 1 temas más a

Diseñar fuente para lámpara de arco de xenon

A lo largo de mi carrera profesional he intervenido en el diseño de balastos para lámparas de descarga de gases. Lo que Vd desea es relativamente fácil cuando la lámpara es de corriente alterna, y como Vd dice, más difícil con corriente continua. He...
Respuesta en y en 2 temas más a

Que hay de cierto en las bombillas de bajo consumo son en realidad ser lo que dicen

Normalmente se llaman bombillas de bajo consumo (incluso algunos las llaman ahorradoras), a tubos fluorescentes compactos (estrechos y enrollados), que se acoplan mediante rosca normal (E27), que se instalan directamente en donde iban lámparas de...
Respuesta en y en 4 temas más a

Problemas con Led Cree en el auto interferencia en la radio

La lámparas originales de incandescencia son simples resistencias, y las lámparas LED llevan siempre asociado un circuito electrónico que genera oscilaciones de alta frecuencia. Si el fabricante del coche hubiera incluido esta clase de lámparas, se...

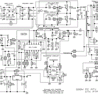
Resistencia quemada en fuente ATX

Estas fuentes chinas son todas muy parecidas. El dibujar el círculo amarillo en la foto de la cara de abajo, no me ha permitido intentar seguir las pistas. De todas formas vea este esquema. En la parte inferior izquierda está la fuente de +5 auxiliar...
Respuesta en y en 2 temas más a

Mis bocinas se quemaran con mi amplificador de audio?

Las bocinas se queman si se les hace sonar demasiado fuerte. Se nota que están sobreexcitadas porque distorsionan (no suenan bien). Si con el amplificador las hace sonar normal, pueden funcionar, pero si se pasa de volumen las quemará.
Respuesta en y en 1 temas más a

Quiero conectar 5 focos H3 12v 100w a la corriente de 127, como puedo reducir el voltaje sin necesidad de transformador?

Poderse, se puede, pero a cambio de un gasto de electricidad desorbitado. Se disponen las lámparas en serie, en serie a su vez con una resistencia del resultado de este cálculo. Corriente en las lámparas = 100 / 12 = 8,33 Amp. Tensión en las 5...
Respuesta en y en 2 temas más a

¿Qué es el componente JRMA 43 conectado al terminal de control de carga de una bat. De taladro?

Es un disyuntor que se abre si se excede la temperatura del equipo. En su caso a los 43ºC. Vea: http://www.thermal-sensor.com/Battery-Thermal-Protector-JRM_p845.html

Tengo una duda sobre generador ac

18 HP equivalen a 13,248 Kw. La potencia que desarrolla la corriente alterna trifásica (P), es igual a un coeficiente (K = 1,73), por la tensión (V), por la corriente (I) y por el factor de potencia. El valor del factor de potencia es como máximo...