Física

4.132 seguidores
Preguntar

Preguntas resueltas

Pregunta en y en 2 temas más de

Suma de vectores por componentes

Nadador cruza rio en 120s a 0.5m/s de oeste a este en un rio que fluye a -20° sureste a 0.8m/s. Calcula mediante el método de suma de vectores por componentes, el vector de velocidad resultante del nadador siendo arrastrado por el río, es decir, la...
Pregunta en y en 3 temas más de

Como calcular un guardamotor para este elevador hidráulico

Necesito calcular el guardamotor para en levador hidráulico de 4 postes La placa me proporciona estos datos
Pregunta en de

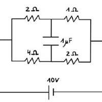
Calcular carga almacenada en un condensador

¿Cómo calcular lo que vale la carga almacenada en el condensador de la figura adjunta?
Pregunta en de

Calcular ecuación malla que se

¿Cómo definir la ecuación que corresponde a la malla de la figura adjuta?
Pregunta en y en 1 temas más de

Aumentar tensión superficial del agua

Quisiera saber como se podría aumentar la tensión superficial del agua para hacer que las gotas toquen cualquier superficie lisa por un punto.
Pregunta en y en 1 temas más de

Me gustaría mejorar mi cuerpo físico ( tengo 12)

Me gustaría hacer ejercicio y mejorar mi cuerpo físico pero no eh podido y a la vez me gustaría aguantar un poco más en la erección
Pregunta en y en 1 temas más de

Por una bobina circula una corriente? Y tiene almacenada una energía magnética?. Si se triplica la intensidad...

Pregunta de física (campo magnético). Por una bobina circula una corriente?? Y tiene almacenada una energía magnética??. Si se triplica la intensidad de la corriente, ¿Cuál es, entonces, la energía almacenada?: ? = ??/3? = ??/9 ? = 3???...
Pregunta en de

En un solenoide de 100 espiras el flujo magnético a través de una espira se expresa en unidades del SI mediante...

Pregunta de física (campo magnético). En un solenoide de 100 espiras el flujo magnético a través de una espira se expresa en unidades del SI mediante Φ = (0,01/?) cos(100??), siendo? El tiempo. La f.e.m. Inducida en el solenoide en el instante t...
Pregunta en y en 1 temas más de

Un conductor cilíndrico de radio “a” transporta una corriente de densidad uniforme en la dirección de su eje...

Selecciona la respuesta correcta. Un conductor cilíndrico de radio “a” transporta una corriente de densidad uniforme en la dirección de su eje. El campo magnético que crea en los puntos exteriores al hilo: a) Es constante b) Es cero c) Disminuye con...
Pregunta en y en 1 temas más de

¿Cómo se está moviendo un electrón dentro de un campo magnético uniforme (0,0, B) si no experimenta ninguna desviación?...

Pregunta de física (campo magnético), selecciona la respuesta correcta: ¿Cómo se está moviendo un electrón dentro de un campo magnético uniforme (0,0, B) si no experimenta ninguna desviación? A) En cualquier dirección del plano X b) En la dirección...

Suscríbete RSS