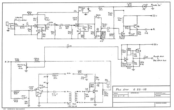
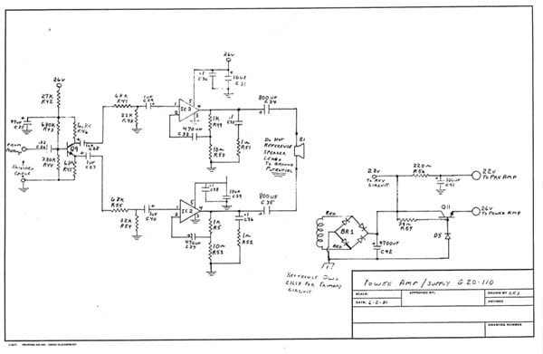
Necesito esquema amplificador audio AC2120
Necesito el esquema de un amplificador de audio de la marca Acoustic Control, el modelo es el AC2120 y es ya antiguo, se me queman los mosfet finales nada más encender, le he cambiado todos los transistores y sigue igual, no se si estoy poniendo alguno mal.
Respuesta de david ..
1
1 respuesta más de otro experto
Respuesta de Botijo Antiguo
2


