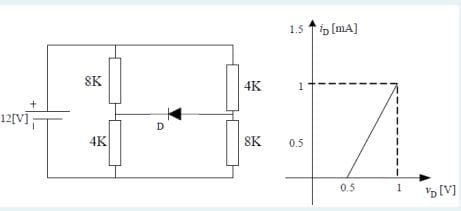
Determinar la corriente del diodo D

Posibles respuestas
a. 0.6mA
b. 1.4mA
c. 0.8mA
d. 1.2mA
___________________________________
___________________________________
___________________________________
1 respuesta
Respuesta de albert buscapolos Ing°
4