Duda sobre inductores en una fuente de alimentación conmutada

Estoy en el transcurso de una reparación bastante completa, me han dado un par de monitores de estudio Alesis M1 MK II uno de ellos con una fuente de alimentación quemada al utilizar un fusible de mayor amperaje (5A) del que pudo, en el reemplazo de los componentes vi reventado y quemado un termistor de protección, los 4 diodos del puente rectificador, transistor IRF840 de potencia cruzado... Un sinfín de daños que no me preocupan salvo las bobinas ya que son un componente que no conozco nada bien cómo se pueden reemplazar correctamente o en qué rangos.

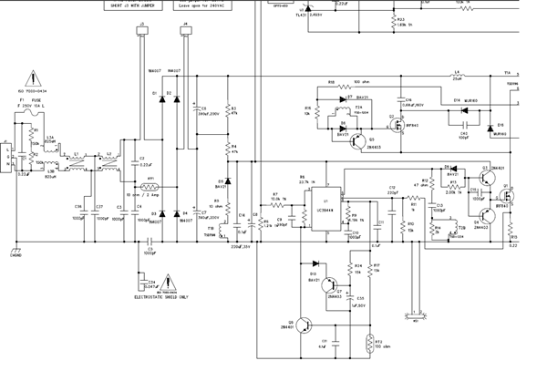
Os adjunto una imagen del primario de la fuente donde os explicaré los daños:

 

En caso de que no lo podáis ver correctamente os adjunto este enlace donde en la página 14 podréis encontrar este esquema completo.

D1 a D4 reventados y D6 también

RT1 Reventada

R15 Reventada

Q1 En cortocircuito

L2 y L3 que son inductores de modo común de 33 mH he encontrado sustituto en internet junto a los demás típicos componentes.

Ahora bien, L1 es una bobina de 825 µH de 2 amperios con 4 pines, la cual no he encontrado sustituto por internet, he encontrado por una página unas de 820 µH a 1.8 A y 2.3 A, el problema no viene dado por la intesidad si no por la disposición de los pines ya que al abrir el paquete he descubierto que he comprado bobinas (choke) de 2 pines... En el PCB, L1 tiene 4 terminales... La pregunta viene aquí:

¿Podría remediar de algún modo sin necesidad de seguir buscando un inductor toroidal de 4 pines de más o menos 825 µH, por ejemplo conectando uno hacia dos pines y otro hacia los otros; o bien podría devanar el núcleo del que se quemó y utilizar el bobinado de uno nuevo respetando las vueltas del antiguo y haciendo uno de 4 pines o sería una tarea fatídica?

He pensado en desarmar alguna fuente de alimentación ATX a ver si hay suerte, sin embargo, al tener poca idea de inductores tengo miedo a destruir todos los demás componentes que estoy reemplazando. ¿Tendría qué aplicar todas las fórmulas para construir un inductor o no es tan crítico a la hora de funcionar?

Siento no ser tan específico, soy amateur y nunca me he enfrentado a una reparación de este tipo.

1 Respuesta

Respuesta

Esas bobinas montadas en toroide son simples filtros EMI los cuales puedes bobinar tu mismo usando hilo esmaltado similar al que tienen.

Cuando las bobines presta atención por que las dos bobinas están en contrafase por lo que hay que enrrollarlas al contrario una de otra tal como están en el toroide.

La función de esas bobinas no afecta al funcionamiento del aparato su única misión es suprimir perturbaciones electromagnéticas externas y evitar que el aparato polucione la red eléctrica.

Presta atención al bobinarlas para que las dos tengan el mismo numero de espiras.

Añade tu respuesta

Haz clic para o

Más respuestas relacionadas