Corregir un problema. Electricidad - Potencias activa y aparente.
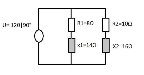
Factor P1= √A²+B² = √8²+14² = 16,12 fi Ctg (8/14) = 29,74°
I1= (220 |0°) / (16,12 |29,74°) = 16,64 |-29,74°
P1= U.I.cos fi = 220 x13,64 x cos 29,74 = 2605
---------------------------------------------------------------
Factor P2= √A²+B² = √10²+16² = 18,86 fi Ctg (10/16) = 32,0°
I2= (220 |0°) / (18,86 |32,0°) = 11,66 |-32,0°
P1= U.I.cos fi = 220 x11,66 x cos 32,0° = 2175
--------------------------------------------------------------
S1= U x I= 220 x 13,64 = 3000,8
S2= U x I= 220 x 11,66 = 2564,2

Tal como se ve en la imagen era con 220 |90° pero lo hice con 220 |0° por error. ¿Con 90° la división en las I sería lo mismo?.
1 Respuesta
Respuesta de albert buscapolos Ing°
1
cuando yo estudiaba no recuerdo que los docentes escribieran el voltaje junto con los grados. La expresion 120 /90 ¿Que significa? - Anónimo