Problemas con una malla al realizar la ecuación
Estoy tratando de resolver una malla que forma parte de un circuito con 2 mallas.
La malla 1 me quedo así:
12 v – 2i1 -4i1 + 4i2 = 0
Esto terminaría quedando asi:
12 v - 6 i1 + 4i2 = 0
Acá es donde tengo una duda, porque hay 2 formas de arreglar esta ecuación.
Yo podría dejar el valor de 12 voltios quieto y pasar al tro lado de la ecuación los valores de
-6i1 y + 4i2;
entonces la ecuación me quedaría asi :
12 = 6i1 -4i2
Y la acomodaríamos asi:
6i1 -4i2 = 12 ¿Es correcto?
Pero la duda que me invade es que también podríamos hacer el despeje de otra forma, es decir; si
ecuación esta originariamente asi:
12 v - 6 i1 + 4i2 = 0
Podemos dejar el -6i1 y el +4i2 como están y pasar el 12 al otro lado de la igualdad ; pero pasaría con el signo cambiado.; de modo que la ecuación quedaría de esta forma:
-6i1 + 4i2 = -12
La pregunta es:
Al llegar a esta expresión:
12 v - 6 i1 + 4i2 = 0
¿Cuál es la forma correcta de arreglar o acondicionar la ecuación de esta malla?
¿
¿Así? :
6i1 - 4i2 = 12
O asi? :
-6i1 + 4i2 = -12
Porque yo hice la malla considerando una forma y la otra; y según lo haga de un modo u otro, el valor final se vería afectado, no seria el mismo….
2 Respuestas
La mejor forma de acomodarla es de esta forma
6·i1 - 4·i2=12
Ahora solo tienes un par de ecuaciones, pero cuando tengas 6, la forma más rápida de resolverlo será usando el método de Gauss o Crammer. Sin embargo, pasar las variables a un lado o al otro, multiplicar todo por -32.4, sumarle 15 a cada lado... no va a cambiar el resultado, en todo caso habrás hecho mal algún cálculo.
Esta ecuacion -12=-6·i1 + 4·i2 es redundante si la pones con la anterior.
Redundante quiere decir que carece de importancia puesto que no da información addicional.
Espero que lo hayas entendido, si tienes algún problema con algún ejercicio, siempre puedes mandarlo y te lo podemos resolver paso por paso para que lo entiendas.
Pero a ver…., una pregunta:
Tenemos esta expresión:
12 v - 6 i1 + 4i2 = 0
Si yo dejo quieto el 12 y paso las incógnitas al otro lado de la igualdad; me quedaría así:
12 = 6i1 + 4i2
Pero alguien podría preguntar con razón:
Si la acomodo dejando el 12 a la derecha y las incógnitas a la izquierda, o sea así:
6i1 +4i2 = 12
¿No se alteran los signos? Porque originariamente el 12 estaba a la izquierda de la igualdad, junto con las incógnitas .
Al pasar las incógnitas a la derecha, los signos cambian.
Y si acomodamos los números de nuvo poniendo las incógnitas a la izquierda de la igualdad y el termino independiente a la derecha, ¿Por qué los signos no se ven alterados de nuevo?
No se si me explico o se entiende la pregunta...
La cuestión es la misma que antes, si bien tú me dices que tienes una expresión como esta
12-6i1+4i2=0
Las dos formas que tu me dices de acomodarla son
6i1-4i2=12 [1]
-6i1+4i2=-12 [2]
Como había escrito en el comentario anterior una igualdad sigue siendo la misma si multiplicamos a ambos lados por el mismo numero o si sumamos lo mismo en los dos lados de la igualdad. Basandome en esto, te voy a demostrar que esas dos ecuaciones que has despejado diferente son la misma en realidad.
-1*(6i1-4i2)=-1*(12)
Si multiplico la ecuacion [1] por el valor -1, aplicando la propiedad distributiva del producto tenemos que
-1*(6i1)-1*(-4i2)=-1*(12)
Ahora, si multiplicamos un -1 por un -4i2 nos dará +4i2 porque -1*-4=+4
Así nos queda que
-6i1+4i2=-12
Que si te fijas esta es exactamente la misma ecuación que [2].
Para ver otro ejemplo te pongo una ecuacion parecida pero con una incognita
3+x=8
Es fácil ver que x=5, sin embargo, como despejamos x?
x=8-3
3-8=-x
Ahora la pregunta es, ¿te das cuenta que x seguirá valiendo 5 lo pongas como lo pongas? Incluso si te digo que esta ecuación es la misma que
3+15+5x=40+3
Puedes probar a sustituir x por un 5 y verás que te da lo mismo. ¿Qué he hecho en este último paso? He multiplicado ambos lados de la igualdad por 5 y he sumado 3 a cada lado.
Quiero decirte, que darse cuenta de todo esto es muy útil puesto que cuando tengas una ecuación como lo siguiente
24x+16y+104z=184
Podrás simplificar esta ecuación haciendo el minimo común divisor de todos los valores. En este caso es 8
8*(3x+2y+13z)=(23)*8
Donde los 8 de ambos lados se van o lo que es lo mismo pasas un 8 dividiendo al otro lado y 8/8=1 de tal forma consigues reducir esa gran ecuación a tan solo
3x+2y+13z=23
Espero que con estos ejemplos lo hayas visto más claro. En tu caso, donde solo pasas de un lado al otro, el valor por el que multiplicas a cada lado es (-1), que no te confundan los - simplemente quieren decir que ese valor esta multiplicado por -1.
Con respecto a la ecuación que habéis puesto como ejemplo
3+x=8
Es fácil ver que x=5, sin embargo, como despejamos x?
x=8-3
3-8=-x
Tu me dices que por seguirá valiendo 5 lo pongas como lo pongas
Pero lo que yo veo es que en uno de los despejes por vale 5, pero en el de más abajo por no vale 5; por vale -5 o sea es un valor negativo, no es lo mismo que 5. Allí es donde se plantea mi duda, en una ecuación obtengo un valor positivo pero en la otra al despejaro de otra manera obtenemos un valor negativo. Y eso puede cambiar el resultado de toda una ecuación. No se si me hago entender...
Gracias por responder...
Esto es muy sencillo, solo debes entender que es a lo que llamamos incógnita o, en este caso, nuestra "x".
En la ecuación x=8-3=5 por lo tanto x=5. En el segundo caso, tenemos que -x=3-8=-5 entonces, x=5 igualmente.
El caso es que el -x no significa que x=-5. No sé si me explico. La última ecuación se podría escribir de la siguiente forma
3-8=(-1)*x
En este caso, x no puede valer -5, ¿por qué? Porque (-1)*(-5)=5 y esto no es igual que 3-8.
Simplemente tienes que ver que el signo que lleve delante la variable es un número que está multiplicando a tu variable, si después tu variable es negativa se multiplicaran dos números negativos. En este caso -1 y 5 te quedaría -5=3-8 entonces tu variable es 5 y está multiplicada por -1.
Espero que con esto lo entiendas, y siento haber tardado tanto en responder.
Pah! Cuanto tiempo había pasado! Yo pensé que después de la ultima pregunta ya te había cansado por lo cual no quisiste responder. Se ve que no te gusta la internet.
A mi tampoco, solo la uso por necesidad como en este caso...
Volviendo al tema, ahora si lo entiendo mejor, es decir que aunque el numero de negativo; vos lo haces positivo al multiplicarlo por -1. No era consciente que eso se podía hacer. O sea que siempre que haga una ecuación y obtenga un numero negativo, yo debo hacerlo posititivo multiplicándolo por -1.
No se si la palabra es debo..., al menos se puede hacer...
Gracias
Si, debes multiplicar por -1 porque -x=5 no es lo mismo que +x=5. En el primer caso x=-5 y en el segundo caso x=5. Lo de multiplicar por (-1) es para que entiendas que la variable por lleva un signo a parte del que tiene dentro de la ecuación. Muchas veces, al sustituir, se escribe como
8-3=-(-5)
Con eso ya te das cuenta de que el signo será positivo. De otra forma si por fuera +5 tendríamos
3-8=-(+5)
Donde + por - da - y la igualdad se sigue cumpliendo.
De lo que nunca puedes dudar es de una igualdad. Una igualdad te dice que una cosa es igual a la otra sea como sea, lo multipliques lo dividas le sumes raíz de pi...
Entonces si no cometes ningún error aislando la igualdad tiene que seguir siendo cierta. Es más, lo que nosotros llamamos aislar o despejar un valor viene de hacer esto
5x+8=15
(5x+8)-8=(15)-8
5x=7
(5x)/5=(7)/5
x=7/5
Aislar significa hacer lo mismo en cada lado, cuando restas un numero menos su igual te da 0 y cuando divides un numero entre su igual te da 1. Sumar 0 o multiplicar 1 es como no hacer nada por eso se quita ese 0 o ese 1.
Si la ecuación anterior la aíslo al revés, como tú decías, verás que da exactamente lo mismo
5x+8=15
(5x+8)-5x=(15)-5x
8=15-5x
(8)-15=(15-5x)-15
-7=-5x
(-7)/-5=(-5x)/-5
7/5=x
La diferencia entre tener un -1 y un -5 es que el -1 se pone solo el - porque multiplicar por -1 solo te cambia el signo.
- Compartir respuesta
Es lo mismo Facundo... una forma sale de multiplicar x -1 todos los términos de la otra. La igualdad se mantiene y el resultado será el mismo...
Yo hice el ejercicio con una expresión y luego con la otra, y al final cuando tuve que sustituir el la incógnita i2 por el valor encontrado, al momento de despejar i1 ; el resultado cambio radicalmente... veré si puedo desarrollar todo el ejercicio, o al menos la parte final para que lo veas...
Como no se pasar material del telef a la computadora, lo escribo así:
Malla 1
-6 i1 + 4i2 = -12
Malla 2
4i1 - 6i2 = 9
Las ordenamos asi:
-6 i1 + 4i2 = -12
4i1 - 6i2 = 9
Acá se emplea un método de sustitución o reducción, yo no recuerdo como es el de sustitución, siempre uso el de reducción.
Entonces, tu dices: tengo que encontrar un numero que multiplicado por 4, me de +6i1:
4k = 6
K = 6/4 = 1,5
Entonces multiplicamos toda la ecuación de malla 2 por 1,5:
-6 i1 + 4i2 = -12
4i1(1,5) - 6i2(1,5) = 9(1,5)
Y esto quedaria asi:
-6 i1 + 4i2 = -12
6i1 - 9i2 = 13,5
// -5i2 = 1,5
Despejamos i2:
i2 = 1,5/-5
i2 = -0,3 Ampers
Ahora con el valor de i2, vamos a sustituirlo en la ecuacion de la malla 1:
-6 i1 + 4i2 = -12
-6 i1 + 4(-0,3 A) = -12
-6 i1 -1,2 = -12
-6i1 = -12 + 1,2
-6i1 = -10,8
Despejamos i1:
i1 = -10,8/-6
i1 = 1,8 A
Ya tenemos las 2 corrientes, pero ahora vamos a hacerlo con la otra ecuación de la malla 1 que tenia los signos cambiados para ver si los resultados coinciden:
Malla 1
6i1 -4i2 = 12
Malla 2
4i1 – 6i2 = 9
Las ordenamos asi:
+6 i1 - 4i2 = 12
4i1 - 6i2 = 9
Empleamos reduccion:
4k = -6
K = -6/4
K= -1,5
+6 i1 - 4i2 = 12
4i1(-1,5) - 6i2(-1,5) = 9(-1,5)
+6 i1 - 4i2 = 12
-6i1 -9i2 = -13,5
// -13i2 = -1,5
i2 = -1,5/-13,2
i2 = 0,11 A mpers
Sutituimos ese valr en la ecuacion de la malla 1:
+6i1 -4i2 = 12
6i1 -4(0,11) = 12
6i1 – 0,44 = 12
6i1= 12 +0,44
6i1 = 12,44
i1 = 12,44/6
i1 = 2,07 A
Ves como los resultados cambian, no son iguales
Facundo. Recién veo esto tuyo. Por favor mándame y/o dibujame el circuito original tuyo de las dos mallas y te diré como resolverlo por un método claro y rápido. Sin duda te servirá para el futuro.
Ok, lo intentare, pero ¿esta mal la manera en que esta resuelto?
¿Si Facundo... La matrices de circuitos tiene una disposición especial... dibuja a mano el circuito con los datos... sacale una foto con el celular... pasa esa foto a la PC como archivo (.gif) ... luego la envías por este correo descargándola en el primer cuadrito de la barra de tareas ( que tiene un paisaje)... comprendes? ... Si no va yo te envío un ejemplo básico con datos inventados...
No me acuerdo a que se llama matriz en un circuito... siempre he tenido problemas para enviar imágenes acá, nunca pude pero lo intentare una vez más...
Una pregunta:
Si el circuito tiene las fuentes con su polaridad significa que es un circuito de continua, lo podemos resolver por la ley de nudos de kirchoff..., pero me pregunto, si son 2 mallas de una red alterna, allí ya no se puede sumar las corrientes por kirchoff porque son vectores ¿cierto?
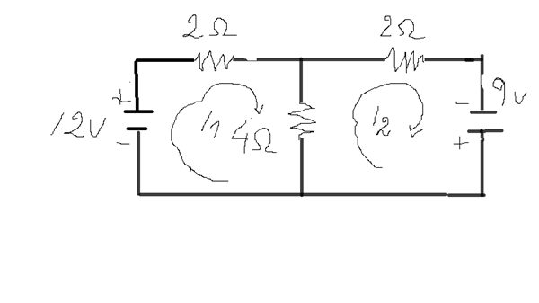
Esta es el circuito con las 2 mallas:

La famosa matriz del circuito que mostrás seria:
(2+4) i1 - 4i2 = 12 .....................o -12 si la fuente esta al reves.
-4i1 + (2+4) i2 = 9 ......................o -9 si la fuente esta al reves.
Línea 1: coeficiente de i1= suma de las resistencias de toda la malla 1
Coeficiente de i2 = suma de la/ las resistencia comunes al malla 1 y malla 2.
Línea 2: coeficiente de i1 = suma de la/ las resistencia comunes al malla 1 y malla 2.
Coeficiente de i2 = suma de las resistencias de toda la malla 2 .
PRUEBA: la matriz de coeficientes siempre es simétrica respecto de la diagonal principal.
6i1 - 4i2 =12 (1)
-4i1 + 6 i2= 9 (2)
De la (1) despejas i1 ...................i1=( 12+4i2) / 6 = 2 + (2/3)i2
Ahora reemplaza en la (2) .....................-4 ( 2 + 0.66 i2) + 6i2 = 9
-8 - 2.64 i2 + 6 i2 = 9 ..........................3.36 i2= 9+8 = 17 .........i2= 5.05 A
Pones este valor en la (1) y llegas a:
6i1- 4(5.05) = 12 .................i1= (12 + 4(5.05)) / 6 = 5.36 A.
La corriente de rama central seria i1-i2 = 5.36 - 5.05 =0.31 A.( hacia abajo).
Leelo despacio y razonado. No es difícil.
Si se trata de circuitos de corriente alterna ... por suerte todo se mantiene igual...
Porque las Leyes de Kirchoff siem´pre se te cumplen. Nada más ahora debes reemplazar las resistencias por impedancias. Luego deberás trabajar con números complejos. Seguramente lo veras más adelante. Sdos.
- Compartir respuesta
Así es Jordi... el resultado debe ser el mismo ya que la igualdad no se altera... - albert buscapolos Ing°