Detección de fraudes, prueba de sumatoria de corrientes de nodo.
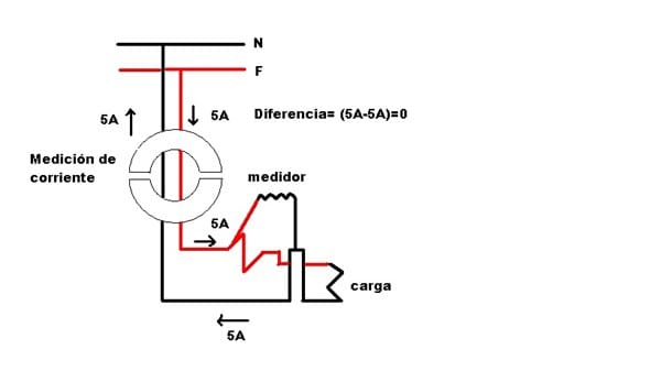
En la parte de detección de fraudes, leí por ahí que existe un método llamado, PRUEBA DE SUMATORIA DE CORRIENTES EN UN NODO, Esta clase de prueba se aplica, para identificar acometidas que tienen derivada la fases, neutros prestados, neutros tomados de tierra o fugas. Y vi que se usa una pinza amperimétrica. Mide la corriente uniendo la fase y neutro y esta es 0, ¿mi duda es como sería el diagrama mostradado como circuito de una conexión de un medidor de energía? ¿Podrían explicarme la resolución del circuito de manera más clara?


1 respuesta
Respuesta de albert buscapolos Ing°
2
Tal cual, Jefe ... Es como si fuesen 2 Circuitos Separados ... No Problema - - Mario Gomez
Soy Mario Gomez ....pero me olvide de entrar ... ;) - Mario Gomez