Problemas con una instalación de telerruptores.
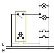
Tengo la instalación de un comedor con telerruptores y pulsadores. Se han quemado un par por que los pulsadores se quedaron pulsados. Pensé en agruparlos pero algo toque o hice mal que ahora no me va absolutamente nada. Agradecerí

A consejo o comentario
1 Respuesta
Respuesta de shato
1
