No se porque salta el relé térmico,?(Cuadro eléctrico de pozo)
Hola, tengo una bomba sumergida a 29 metros en un pozo, y un cuadro eléctrico sencillo en la superficie, estos días ni tan siquiera han pasado 3 minutos que estaba regando y la bomba se para en seco, el relé térmico es el que salta todo el rato, ¿alguien me podría decir el porque motivo/motivos de que salte el relé? (Cualquier cosa que me pidáis os la daré si es información o medidas de voltaje/corriente o donde llega tensión)
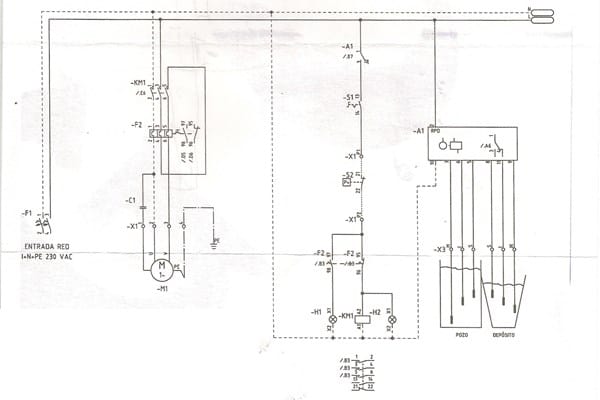
Os dejo aquí un esquema de mando y fuerza del cuadro,


Las sondas del pozo están bien, Gracias
3 respuestas
Respuesta de Botijo Antiguo
1
Respuesta de albert buscapolos Ing°
1
Respuesta de nmpa33
1



