Conectar dispositivo 110V en linea de 220V

Quisiera saber si alguien puede desasnarme en el siguiente tema. He leído varias preguntas y respuestas de las que hay en el sitio, pero ninguna habla específicamente sobre lo que yo quiero saber.
Tengo entendido que la corriente 110V funciona con una fase "activa" y un neutro, mientras que la de 220V tiene 2 fases activas (que según leí acá funcionan por diferencia de potencial).
Ahora bien, he aquí mi consulta: es posible conectar un dispositivo de 110V a través de una de las "patas" del conector del dispositivo, ¿a una de las fases activas de una linea 220V y la otra "pata" conectarla a algo que "oficie de neutro" (ya sea tierra o lo que fuera)?
Consulte con un ingeniero eléctrico y me dijo que en teoría es posible, ¿pero no me dijo como?
Desde ya muy agradecido por la respuesta.

8 Respuestas

Respuesta
3

Hola bking2k,.. estas en lo correcto, o el ingeniero al que consultaste, esta en lo correcto,.. veo que por aquí hay algunos pseudos electricistas, que tienen todo el día para buscar información por internet, pero nunca cambiaron ni un tomacorriente,.. en Uruguay tenemos sistema tetratrifasico 3 fases de 380V más neutro,..(una fase más neutro dan 220V monofásico), sin dar muchas explicaciones de lo que es la diferencia de potencia, digamos que la podes identificar en un pájaro parado en un cable de una línea de alta tensión,.. no le pasa nada, ahora si el animalito deja una patita en el cable y con un ala se acerca a la tierra, pasto, grama o como le llames, queda hecho un carbon,.. esa, a grandes rasgos es la diferencia de potencia,... en tu casa, en Uruguay, identifica la fase en tu toma corriente, una vez identificado, anda a tu patio, lo más cerca del toma y enterrá, unos dos metros, un caño galvanizado, ponele agua y sal, conectando un cable en el extremo visible, va a estar tu cable a tierra que oficia de neutro para tus 110 o 115 v,.. aquí en USA es muy común que electricistas mal intencionados, utilicen la tierra en vez del neutro, cuando ya no tienen lugar en el primero, no te estoy diciendo que lo hagas, te digo que funciona.

P.D. Un neutro es la suma de las tres bobinas en un transformador estrella, en un triangulo es el punto 0 v de una sola de sus bobinas.

Respuesta
4
La verdad que es como dices, tienes no solo dudas, sino no comprendes la electricidad. La corriente eléctrica siempre funciona entre dos conductores, estableciendo una diferencia de potencial o voltaje entre ambos.
En corriente de 110V, 125, V no tienes neutro. Se tienen dos conductores vivos o activos como tu dices, o uno vivo y otro a potencial 0, dependiendo de como se te envíe la corriente desde la empresa eléctrica. Son cuestiones técnicas que no vienen al caso.
En corrientes de 220V, si esta proviene de una tetrapolar de 380V, si tienes neutro y una fase. Si esa corriente de 220V proviene de una trifásica de 220V, sera una corriente bifásica, que no tiene neutro.
El neutro es un conductor más, que se obtiene en un centro de transformación de pasar corriente trifásica (de tres conductores) a tetrapolar (de cuatro conductores), mediante un transformador.
Si en tu casa tienes corriente de 220V, para pasarla a 110V, necesitas un transformador, con entrada para corrientes de 220V, salida 110V.
Gracias por la respuesta. Primero un par de aclaraciones, no es que "no comprenda la electricidad" sino que yo no estudie electricidad ni nada relacionado (por eso hago la pregunta acá :), y segundo cuando hablo de corriente de 110V me refiero a la corriente de EEUU (donde viajo habitualmente) y ellos mismos le llamaron "neutro" y no "potencial", por eso lo escribí así.
Hecho esto comento, yo vivo en Uruguay donde en la mayoría de los hogares tenemos 220V bifásica. Básicamente la pregunta apunta a saber si en lugar de llenar la casa de transformadores, existe una alternativa de conectar un aparato 110V en una de las fases de 220V, más allá de que sea o no más complicado que poner un transformador, es decir, saber si es técnicamente posible.
Bueno yorugua no te enojes. En el liceo enseñan electricidad. Ciclo básico. O si tienes edad suficiente preparatorios Física I, electricidad estática y dinámica
En ningún lugar te digo que se llame potencial para dejarlo claro. Diferencia de potencial, es lo que la física define como voltaje, que luego lo llamamos solo voltaje para abreviar.
La corriente es la misma en todo el Universo, no hay una para los yanquis, otra para europa y la otra para el Mercosur.
Neutro es el conductor que se obtiene del centro de la conexión estrella de un trafo de salida trifásica, conexión estrella. No es ni otra fase, ni tierra. Es neutro simplemente.
En el Paisito, no tienen bifásica. No en todos lados, actualmente, en muy pocos. Desde que se hizo el tendido del trenzado que sutituyo aquellos tres + dos (los tres de arriba de trifásica de 220V, los dos de abajo del alumbrado publico) cables pelados que pasaban por las fachadas, y se cortaban en cada tormenta, tienen tetrapolar de 380 V, o sea trifásica + neutro, de la que se obtiene la monofásica de 220V.
Algo eléctrico necesita dos conductores para que circule la corriente (recuerda la física elemental de la escuela y del liceo), así que si solo conectas un cable, no circula, y si lo conectas a otra cosa, por ejemplo tierra por el otro lado, seguirás teniendo 220V, no la mitad de la corriente total. Todo eso si es que no tienes diferencial y te salto al conectar fase con tierra.
Así que por mucho que te pese, si no usas un transformador, no puedes conectar nada de 110V gringo a la corriente de 220V charrua.
Lo único que puedes hacer, que debe ser lo que te quiso dar a entender aquel Ing., es conectar por ejemplo dos cosas de 110V, que tengan idéntico consumo, por ejemplo dos bombitas de 110V, en serie, a la corriente de 220V que en este caso si encienden.
Es lo que ocurre con las guirnaldas de navidad. Las lamparitas son de 12V. 20 de ellas conectadas en serie, encienden sin quemarse pues tendríamos un circuito que necesita de 240V, conectado a 220 V más o menos (raro que sea de 220V siempre, puede oscilar de 200V a 240 V.), funciona.
Saludos de un nuevo gallego que una vez fue oriental.
jaja. Bien Ahí! Esa es la respuesta que yo quería! Había que meter el peso pa que me la dieras así :).
Así que aplicando una especie de propiedad transitiva y haciendo una analogía de razonamiento, según lo que me decís si me quiero traer un LCD de USA y no conectarlo a un transformador, lo que tengo que hacer es traérmelo con una lampara/bombita/etc de luz, ambas de 110V (y de igual "wattaje" pa la simetría), ¿y los conecto en serie no tengo problema no? Y así con cada aparato que tenga, digamos que cambio transformadores por iluminación! jajaja.
Abrazo.
Estas para la joda se ve que te va bien con el PP y metes mano con los curros! Trayendo bagayo de yankylandia.
En teoría lo podrías hacer, si conseguís bombitas de 110 de idéntico watage que el aparatito para ver a Tenfield. Si conseguir lamparitas rojas mejor así pones un queco ( o un club de Batlle) y matas dos pájaros de un tiro.
Respuesta
3

como le ases ala mamada para contestar, se ve a lenguas que solo eres un aficcionado.la pregunta que te estan haciendo es simple. hay 3 cables  110v + 110v + neutro. = 220v.

Se puede tomar un cable de 110v + neutro = 110v . solo tienes que contestar si o no, y no le agas tanto ala mamada. Aaug y hernesto pizzi

Respuesta
1

He si es posible usar una fase + polo a tierra pero la potencia sera menor porque la corriente va a circular de la fase por el electrodomestico y el piso donde este el polo a tierra es decir si es una bombilla esta va a alumbrar a la mitad en luminosidad el resto de corriente va chocar en el piso generando corto circuito y puede ser peligroso de incendio o descarga electrica, ya si es estas en una ciudad donde es fase fase a 220v y no tienes un convertidor a 110v pues por ejemplo tienes bombillas de 110v si las conecta a 220v se quemaran pero si las pones en serie que al sumar el vol de cada bombilla dara 220v funcionaran normal (en serie como se usan las pilas positivo a polo negativo de la otra bateria los otros polos a fuente) para que esto funcione los dos aparatos tienen que ser de potencia similar de lo contrario la energia chocara en el aparato de menor potencia con peligro de corto circuito. Por ejemplo dos bombillas incandecentes, dos bombillas ahorradora de la misma potencia no una ahorradora y una incandecente, ni de diferente potencia, dos neveras, dos televisores actuales o dos antiguos no uno antiguo y uno actual ni la nevera y el televisor para un televisor radio, cargador se puede usar un balastro de la misma potencia, bueno siempre es mejor comprar aparatos con especificaciones para el tipo de red que haya o un convertidor antes de usar lo antes descrito, bueno si los aparatos son de potencia similar funcionaran normal hay que tener cuidado no hagas esto en casa y menos sino tienes los conocimiento de electricidad te puede costar caro

Respuesta
1

Neutro y una línea viva y listo no se complique. Aquí hablan mucha paja.

Respuesta
1

¿SI SE PUEDE 100% SEGURO por que?

Por que la empresa eléctrica a si lo hace y no me han contado .

Mi casa tengo 110v y el vecino tiene 220v

Los alambres son 3 y la única diferencia es que yo tengo uno menos conectado

Básicamente mi casa es como que el vecino desconecte 1 fase y se quede a 110v...

El cable neutro es el mismo para las 2 casas

Y al vecino le llega una fase ¨extra¨ que a mi, ojo las 2 casas se conectan al mismo cable de la calle a 110v

Respuesta

No debe usarse tierra para conectar una carga monofásica, debe utilizarse fase y neutro.

La tierra es para protección, no para conectar cargas. El neutro también se considera conductor activo.

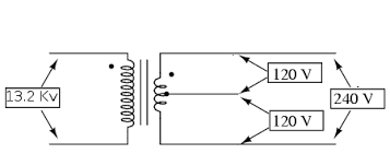
En USA los voltajes son 120/240V en monofásico trifilar, y 120/208V en trifásico tetrafilar.

Todos estos problemas no existirían si en todo el mundo se utilizara la misma tensión. Si en todos los países la monofásica fuera de 120... 127V, seria más fácil utilizar aparatos de cualquier lugar (frecuencia a parte).

Respuesta

En España los 220V es una fase y un neutro. No dos fases vivas con la posibilidad de neutro como se da con transformadores de tap central:

Por tanto en los países que funcionen con dos fases de 110V y un tap central (neutro) puedes tener 220V usando las dos fases vivas o 110V usando el tap central y una de las fases vivas.

Aquí en España, tienes fase o neutro y si tomas la fase y te "agencias" un neutro, tendrás 220V

Si tomas el neutro y te "agencias" un neutro, no tendrás corriente.

Así que si pruebas de hacer eso en España o te cargas el aparato o no va a funcionar. En otros países que funcionen con 2 fases y neutro (tres cables) si que podrías hacerlo.

Añade tu respuesta

Haz clic para o

Más respuestas relacionadas