Juank Gonzales

Juank Gonzales

 Ecuador @juankgonzales desde - visto
Preguntar

Preguntas

Pregunta en y en 2 temas más

Programación de servo con arduino uno

Como programar 2 servos con distintos tiempos es decir que gire uno y luego otro en programación cona arduino
Sin respuestas

Que es un oscilador y para que sirve..

En especial el oscilador de cambio de fase(rc) en que lo podría aplciar y sus principales características, ventajas y desventajas del mismo.
Pregunta en y en 1 temas más

Como puedo graficar esta funcion en matlab ,

X^1.5 necesito graficar esta funcion en matlab y delimitada de 0 a 1 (eje x)con una amplitud de 1 (eje y)
Sin respuestas
Pregunta en y en 1 temas más

Función de transferencia de un oscilador hartley, tanto del lazo de la red y el lazo de los inductores

Necesito como llegar a la función de transferencia de un oscilador hartley con mosfet, tanto de la red como del lazo de las bobinas
Sin respuestas
Pregunta en y en 1 temas más

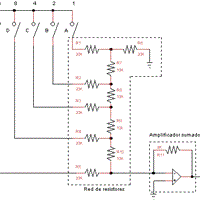
Como hacer un convertidor analógico digital y digital analógico con amplificadores operacionales( no circuitos integrados)

Si pueden ayudarme con diagramas de circuitos con valores solo para simular agradecería muchísimo

Tengo una dudo sobre Transistores y resistencias

¿La resistencia de colector afecta a la corriente de colector? ¿La resistencia de colector afecta la resistencia de entrada? ¿La resistencia de emisor afecta la excursión? ¿La resistencia de emisor afecta la ganancia? Necesito aclarar estas dudas...
Pregunta en

¿Qué es la corriente de polarización magnética?

Necesito saber que es, y algunas aplicaciones. Y si me pueden explicar con fórmulas mejor
Pregunta en y en 1 temas más

¿Campo eléctrico con una carga lineal?

Una carga lineal infinitamente larga tiene una densidad de carga unifore (lamda) por unidad de longuit.Por integración directa encuentre el campo eléctrico a una distancia r de la línea

Suscríbete RSS