albert buscapolos Ing°

albert buscapolos Ing°

Me retiro gradualmente del Foro. Gracias a todos !! . ALBERT ING.
 1.944K puntos  Buenos Aires, Argentina @albertx desde - visto

Respuestas en Ciencias e Ingeniería

Respuesta en y en 2 temas más a

Ley de coulomb - Dos esferas conductoras

No tendría inconveniente en contestarte siempre que me califiques las 2 que te conteste hace unas horas.
Respuesta en y en 2 temas más a

Ley de Coulomb - Valor de la intensidad de la fuerza eléctrica en E

Dibuja la distribución de cargas sobre un cuadriculado. Vector F( 3, 3) = Vector E (3 , 3) x carga que pones. Calculas la fuerza debida a cada carga en el punto ( 3, 3). K = 9 . 10^9 N m^2/C^2 Fuerza (3 , 3 ) debida a la carga en origen = K (2x 10^-6...
Respuesta en y en 2 temas más a

Ley de coulomb - Vector de intensidad de la fuerza eléctrica

Pero para que aparezca una fuerza en C necesitas ubicar una carga determinada en el punto. Lo que calcularias seria la intensidad de campo E. Igualmente podes considerar el valor del campo E (C) como la fuerza sobre una carga unitaria (+). La...

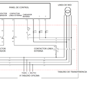
Como conectar un contactor en un motor trifásico de un colector de aserrín

Aquí tienes los esquemas básicos de comando y fuerza. Las características de tensión de trabajo, potencia y corriente las obtenés de la ficha de características que trae el contactor en las indicaciones. A cualquier otra duda volvés a preguntarnos aquí.
Respuesta en y en 2 temas más a

Esquema unifilar de un cuadro eléctrico de una oficina

Aquí te participo esquemas que te van a servir. Serian ambos integrados a la instalación trifásica de una oficina tipo con líneas de iluminación, tomas uso general y A°A°.
Respuesta en y en 4 temas más a

De donde sale la fórmula E= delta i /delta t

Tension inducida (Faraday) ...,... Delta fi = variacion de flujo magnetico (Wb) ........delta t = intervalo de tiempo ( seg). E = tension inducida en volts. La fórmula seria para una espira, Si tienes N vueltas, la multiplicas por N.

Cuánta luz gasta un molino de 5HP

Considerá un mínimo = (5) x Tiempo de funcionamiento (h) x Costo del Kw. Hora Deberás averiguar el costo en $/ Kwatt-hora en tu zona.
Respuesta en y en 1 temas más a

Como mejorar la potencia de taladro a batería pasado a corriente 220v

Pero si el taladro te indica 7.5 volts, debes utilizar un cargador adecuado a la misma. Con más tensión de recarga solo arruinarás súbitamente la batería.( Y la maquina). Pero el tema pasa porque solo la batería cargada tiene suficiente capacidad...
Respuesta en y en 1 temas más a

Cual es el cation y anion de (KBrO3)-

Bromato de potasio .anion (-) es el {Br O3} y el cation (+) es el {K}.
Respuesta en y en 4 temas más a

Determinar en los compuestos químicos, si es un elemento, tipo de función química

Oxido de Osmio.debes definir si es 2,4,6 ... S03 H2 ... Acido sulfuroso ... Oxacido ... Li OH ... Hidroxido de Litio ... Oxidobasico + agua Co ... Cobalto... elemento simple CO2 ... Dioxido de Carbono ... Oxido acido CO3 Mg ... carbonato de Magnesio...