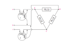
Se utilizan dos wattmetros para dar lectura a la potencia total consumida del circuito delta balanceado de la figura.
Si el voltaje línea a línea es de 440 volts, la carga tiene una impedancia de 55 ohm y el factor de potencia 0.8191 atrás, determinar: a) qué lectura tendrá cada wattmetro, b) construye el triángulo de potencias de la carga. ¿Qué potencia aparente en KVA tiene?

Respuesta de albert buscapolos Ing°
2