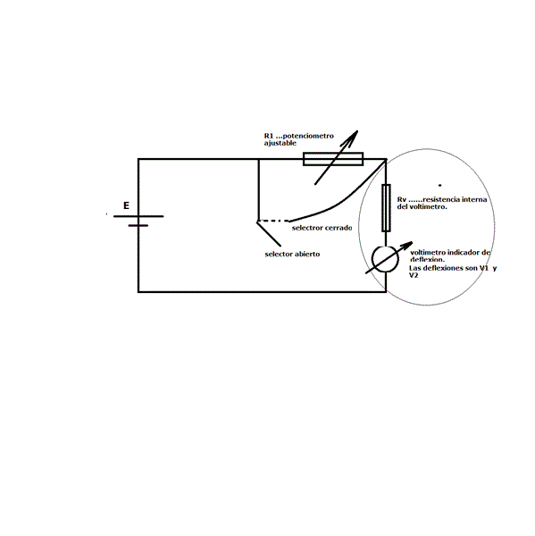
El método de la doble deflexión es bastante útil para la medición de resistencias elevadas... por ejemplo para medir la Rv de un voltímetro.
Si colocamos en serie con la Rv una resistencia de valor grande constante conocido R1 graduable ( o sea potenciometrica) y medimos con el instrumento bajo ensayo las indicaciones para Rv sola y para Rv + R1 ( variando la posicion de la selectora)... vemos que siendo V1 la caída sobre R1 ... V2 la caída sobre la Rv ... y E = tensión aplicada constante:( o sea resistencia interna de la batería prácticamente = 0)...
V1 = Rv E/ Rv+ R1 .............Para el selector abierto.
V2 = Rv E / Rv .....................Para el selector cerrado.
Rv = R1 / (V2/V1 - 1) (1)
Si ajustas la R1 tal que V2 = 2V1 ..................directamente Rv= R1
Este es el método de la media deflexión.
La exactitud la hallarias planteando errores;
Error relativo (Rv) = Error relatio( R1) + Error relativo (V2) + Error relativo ( V1)
Los factores que influyen en la exactitud serian: la exactitud de la resistencia R1 y la exactitud de las lecturas sobre el voltímetro bajo ensayo.
