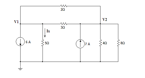
Aplique el método de nodos para determinar V1,V2 y la corriente Ix.

Circuitos electricos. Analisis de nodos

Aplique el método de nodos para determinar V1, V2 y la corriente Ix.

.......

1 respuesta

Respuesta
1

Tienes 2 nodos. V1   y   V2. Barra inferior a potencial 0 volts.

Plantearías las dos ecuaciones de nodo. Con lo que obtendrías las dos tensiones V1 y V2.

Como te lo explique en el otro foro ( Ing. Eléctrica).

Nodo V1 .....................................(.1/2 + 1/3 + 1/5) V1  - ( 1/3 + 1/2) V2 = 6 ..A...corriente saliente.

Nodo V2 ...................................- ( 1/3 + 1/2) V1   +   ( 1/4+1/8+1/2+1/3) V2 =  - 7 A ....corriente entrante.

Llevado a sistema te esta quedando:

Nodo V1........................................1.03 V1 - 0.83 V2 = 6

Nodo V2 .......................................- 0.83 V1 + 1.208 V2= - 7

Resoloves el sistema y llegarias a:   

V1=   2.59 volts.....................................V2=  - 4 volts .................Ix= 2.59 / 5 = 0.518 A.

Añade tu respuesta

Haz clic para o

Más respuestas relacionadas