Duda sobre condensador

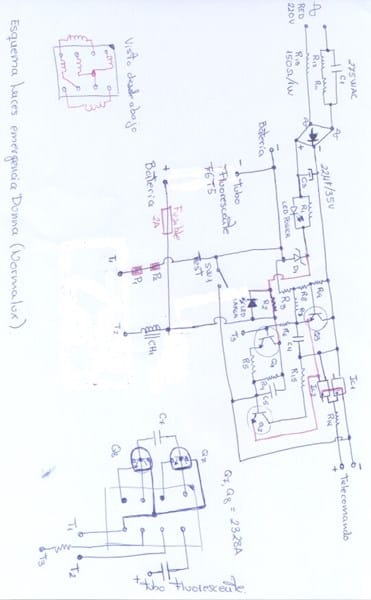
Hola buenos días, hace unas semanas te pregunte para solucionar una avería en unas luces de emergencia autónomas; al final pude solucionarlo con tu ayuda, resulto ser un condensador de 1,2 UF 275v que había en la entrada. (No se si recordaras). Pues el problema que tengo ahora es que no encuentro el condensador de ese valor, encuentro de 1UF 275v ó 1,5UF 275v; como no se la función exacta del componente no quiero arriesgarme a destruir el circuito por una mala elección (Creo que crea un desfase de la señal de entrada, pero estoy un poco pegado en este tipo de circuitos). Mi pregunta seria: ¿que función realiza el componente y si se puede sustituir por uno diferente? Gracias por tu atención. El esquema es , y el condensador era el C1.

1 respuesta

Respuesta
1

Este condensador actúa como lo haría una resistencia de un valor R = 1/ 2 pi frecuencia C. es decir de un valor de 1/ 2 x 3,14 x 50 x 1,2 x 10^-6 = 2653 Ohmios, con la ventaja de que no disipa la potencia que disiparía la resistencia.

Si pone un valor de condensador más grande, equivale a una resistencia más pequeña, y el Zener D1 disiparía más y se podría destruir.

Pruebe de poner en paralelo un condensador de 1uF con otro de 220 nF, que me imagino podrá conseguir.

Añade tu respuesta

Haz clic para o

Más respuestas relacionadas