Dave VD

Dave VD

 Madrid, España @sdsnorte desde - visto
Preguntar

Preguntas

Pregunta en y en 3 temas más

Sirve un vaso de expansión como depósito de aire comprimido con un compresor?

La duda es, si un vaso de expansión que dice 10bar máx de presión podría servir para utilizarlo como depósito de aire comprimido por compresor ajustando el presostato a unos 8/9bar, eliminando membrana o haciendo algún tipo de modificación sencilla.
Pregunta en

Servidor Dhcp y Tftp en Linux

Hola! Buenos días, tengo que realizar una práctica en Debian la cual consiste en instalar e iniciar un servidor DHCP y otro TFTP. Por más que he buscado y leído no he encontrado una manera 'universal' que funcione, ya que cada uno lo hace de una...
Sin respuestas
Pregunta en

Dhcp y Tftp en Linux

Hola! Buenos días, tengo que realizar una práctica en Debian la cual consiste en instalar e iniciar un servidor DHCP y otro TFTP. Por más que he buscado y leído no he encontrado una manera 'universal' que funcione, ya que cada uno lo hace de una...
Sin respuestas
Pregunta en y en 1 temas más

Caldera de carbón junto con otra de gasóleo.

Hola! En una casa con sótano y planta baja, tengo la intención de instalar otra caldera de carbón en la planta baja aprovechando la instalación de tubo de cobre existente y combinarla con otra de gasóleo que esta en el sótano. La cuestión es, cómo...
Sin respuestas
Pregunta en y en 1 temas más

Caldera de carbón con otra de gasoleo

En una casa con sótano y planta baja, tengo la intención de instalar otra caldera de carbón en la planta baja aprovechando la instalación de tubo de cobre existente y combinarla con otra de gasóleo que esta en el sótano. La cuestión es, cómo seria...
Pregunta en

Servidor dhcp y tftp en linux

- Hola Experto, veras, trato de realizar un trabajo en linux en el que debo correr un servidor DHCP y otro TFTP para enviar un kernel a un dispositivo router el cual debe iniciar en red. Bien, para la configuración de los mismos tengo la siguiente...
Sin respuestas
Pregunta en y en 1 temas más

Servidor Dhcp y Tftp en Linux

- Hola Expertos, veréis, trato de realizar un trabajo en linux en el que debo correr un servidor DHCP y otro TFTP para enviar un kernel a un dispositivo router con el cual debe iniciar en red. Bien, para la configuración de los mismos tengo la...
Sin respuestas

Variador trifásico 380 en red 220 y con motor monofásico.

Hola, se podría utilizar de algún modo un variador de motores asíncronos 380V con un motor monofásico en una red de 220Vac? Lo que necesito es variar su velocidad con este variador que me han conseguido pero no tengo opción a cambiar el motor ni a...
Sin respuestas

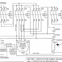
¿Es posible variar la velocidad de este motor eléctrico?

Hola, mi pregunta es la siguiente, he adquirido un elevador eléctrico el cual dispone de una botonera con dos pulsadores, uno de bajada y otro de subida y una única velocidad; el problema es que como es un motor eléctrico con freno automático y una...

Puede un ST232C convertir a TTL ?

Hola, necesito construir un convertidor de RS-232 a TTL, y desconozco si con este conversor podría lograrlo, alguien me puede ayudar acerca de si me sirve y como? Muchas gracias. Http://img850.imageshack.us/img850/8653/imagepxq.jpg
Sin respuestas

1 preguntas no visibles

Suscríbete RSS