piposhow

piposhow

 Estado de México, México @piposhow desde - visto
Preguntar

Actividad pública reciente

Ha valorado "Buena" la respuesta

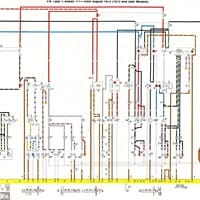
Vocho equivalencia de cables instalación eléctrica

respondió: Como ves en los planos, cada cable tiene marcado su calibre. Si fuese código AGW, no tendrías por ejemplo, 2,5 ó 1,5, pues en ese código, se maneja solo con números enteros. Por lo tanto, la medida es en milímetros cuadrados de sección.
Ha empezado a seguir a