Pregunta en
Nueva Economía
y en 4 temas más
Que pasa con el precio de un bien al aumentar su demanda?
Si la demanda aumenta, ¿El precio aumenta debido a que aumenta la cantidad de recursos de producción? ¿Y cómo se relaciona con la oferta?
Pregunta en
Ingeniería Electrónica
y en 2 temas más
Inductancia en una bobina es constante?
¿Quería saber si L es constante en una bobina y además tengo la duda si Xc(reactancia capacitiva) es cero en una bobina?
Pregunta en
Estadística
y en 1 temas más
Intervalo de confianza para la media
Quisiera preguntar si quiero reducir mi error en el intervalo de confianza por la mitad, ¿Cómo lo lograría?
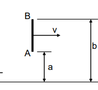
Pregunta en
Física
y en 2 temas más
A) Hallar la d.d.p. Inducida entre los extremos de la barra.b)¿Cuál extremo está a mayor potencial?
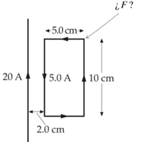
Pregunta en
Física
y en 3 temas más
Como calculo la fuerza magnetica producida por el conductor de 20A sobre el lado superior o inferior de la espira rectangular?
Pregunta en
Ingeniería Electrónica
y en 2 temas más
¿Por qué para que una carga se desplace a través de las bobinas se requiere un campo eléctrico tan pequeño que sea despreciable?
Los inductores como elementos de un circuito: Lo leí en el libro Física universitaria de Sears y no entiendo el por que.
Pregunta en
Ingeniería Eléctrica
y en 2 temas más
Tengo dos lámparas de 110v, una de potencia 25 W y otra de 200 W, y se conectan en serie a una línea de 220 V
Si tengo dos lámparas de 110v, una de potencia 25 W y otra de 200 W, ¿Y se conectan en serie a una línea de 220 V. Cual se funde más rápido?
