Preguntas esperando respuesta
Actividad pública reciente
Ha valorado "Excelente" la respuesta
¿Cómo se introducen los precios en la base de datos en un pequeño comercio como una ferretería?
Eso dependerá del software que usted utilice. En muchos lo que se hace es registrar las entradas y salidas mediante códigos de barras que tienen los productos, con una pistola lectora. Pero será usted quien tenga que asignar el precio de venta. Pero...
Ha preguntado en el tema en
Ingeniería Eléctrica
y en 2 temas más
¿Cuanta energía consume una bombilla de 60w?
Una bombilla de 60w ... ¿Consume 60w a la hora? Es que estoy en duda de si este valor coincide con el de su resistencia que es V^2/R
Ha preguntado en el tema en
Ingeniería Industrial
y en 1 temas más
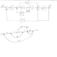
¿Cómo se halla la función de transferencia de b(s)?
Quería hallar la función de transferencia de b(s)/x(s), La de y(s)/x(s) la se hacer (es fácil) pero la de b(s) no se como abordarla. Es una pregunta de examen de regulación. Un saludo
Sin respuestas
Ha preguntado en el tema en
Ingeniería Eléctrica
Cables unipolares 1 x 25 AI/54,6 Alm (norma española, rebt)
¿Si quiero utilizar estos cables para corriente trifásica necesitare 3. Pero estos cables vienen con neutro fiador de Almelec con lo cual si cojo tres también tendré 3 neutros no?
Sin respuestas
Ha valorado "Excelente" la respuesta
¿Qué tipo de cabeza tiene este tornillo?
Ha valorado "Excelente" la respuesta
Donde va la caja general de protección (cgp)
La CGP va siempre después de la acometida. En la salida de la CGP empieza la LGA (línea general de alimentación).
Ha valorado "Excelente" la respuesta
Corriente por el neutro en monofásico
Si, pero es suma vectorial, no suma aritmética. Si las intensidades son iguales en los tres circuitos monofásicos, la suma resulta 0. En ese caso, no circularía corriente por el neutro de la línea trifásica de alimentación, solo por los hilos de las...
