Istal Gas  Madrid s.l

Istal Gas Madrid s.l

empresa instaladora de gas ,calefaccion y aire acondicionado
 5.725 puntos  Madrid, España @istalgas desde - visto

Preguntas y respuestas en Reparaciones

Respuesta en y en 2 temas más a

¿Qué tipo de termostato wifi soporta mi caldera y como se conecta?

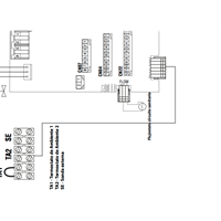
Si el termostato que quieres comprar es un termostato on/off debes desmontar el cable del TA1 y colocar allí la conexión del termostato wifi. Debes tener en cuenta que este tipo de termostato no es modulante y se utiliza mayormente para viviendas...
Respuesta en y en 3 temas más a

Quiero poner caldera gas natural¿Es posible sacar tubo chimenea por cristal con agujero sin que se rompa?

En principio no tendría ningún tipo de problemas, si el cristal esta bien cortado, no creo que se fisure, de hecho muchas veces se cortan los cristales ya montados para colocar las salidas de humos
Pregunta en

Tengo un calentador cointra microtop de 11 litros, como le puedo cambiar la batería

No se como abrir la caja de la batería del calentador cointra microtop b de 11 litros
Sin respuestas