Como calcular intensidad de esta bombilla
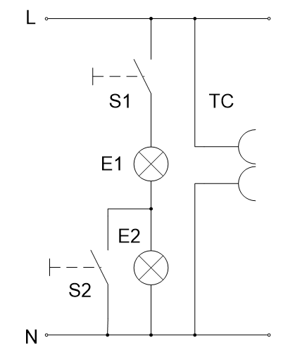
Teniendo el siguiente circuito ¿cómo puedo calcular la intensidad y voltaje de la bombilla 1, teniendo el interruptor s2 abierto y cerrado? (La bo

Respuesta de Mario Gomez
1
2 respuestas más de otros expertos
Respuesta de Botijo Antiguo
2
Respuesta
