Buscar
Descubre en Todoexpertos
Temas interesantes
Preguntas
Respuestas
Expertos
Logros
Iniciar sesión
Entrar
Crear cuenta
Compartir
Compartir perfil de usuario
Todoexpertos
Facebook
Twitter
Google+
Bloquear
Desbloquear
Marcar como inadecuado
Matias Filippelli
@matiasfilippelli
desde
2021
- visto
2021
Preguntar
Seguir
Siguiendo
Dejar de recibir notificaciones
Recibir notificaciones
Dejar de seguir
Resumen
Preguntas
Respuestas
Temas
Reputación
Siguiendo
Preguntas esperando respuesta
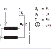
Necesito quien pueda leerme un diagrama de conexión de una turbina ebm para saber como conectarla y si funciona en mono o tri
el 29 sep. 21
Actividad pública reciente
Ha preguntado en el tema en
Ingeniería Eléctrica
y en 2 temas más
el 29 sep. 21
Necesito quien pueda leerme un diagrama de conexión de una turbina ebm para saber como conectarla y si funciona en mono o tri
Estoy precisando ayuda para leer el diagrama de conexión de un turbina ebm tiene 4 cables y no se como conectarla ni que debo adquirir extra para realizar la conexión adjunto una foto del motor y del diagrama, desde ya muchas gracias
1 respuesta
Responder
0
Puntos
0
0
0
Respuestas
0
Preguntas
1
Seguidores
0