Jose Manuel Giménez Torres

Jose Manuel Giménez Torres

 Madrid, España @josemanuelgimeneztorres desde - visto
Preguntar

Preguntas esperando respuesta

Actividad pública reciente

Ha preguntado en el tema en

F43 blue Helix Tech RRT 24C

Aparece en la a Caldera el error F43 después de abrir el agua caliente. Ha ocurrido después de que esta noche se ha estado yendo la luz varias veces. Pienso que ha podido perder algún valor de la configuración. Alguien sabe restaurar los valles de...
Sin respuestas
Ha preguntado en el tema en y en 2 temas más

Bomba Fregaplatos Electrolux ESF 650 no para

Tengo el fregaplatos Electrolux ESF 650, según se enciende se oye funcionar la bomba, entiendo que es posible que tenga agua en la bandeja del suelo. ¿Alguien tendría el manual para saber cómo desmontalo?
Ha valorado "Excelente" la respuesta

Lavadora Bosch ruido al centrifugar

respondió: I. Hola Jose Manuel, creo que este problema en la mayor parte de casos viene dado por un desgaste de los rodamientos, o del sistema de cojinetes, por fortuna el usuario puede llegar a sustituirlos por sí mismo, sabiendo qué hacer no sería obligatorio...
Ha preguntado en el tema en y en 1 temas más

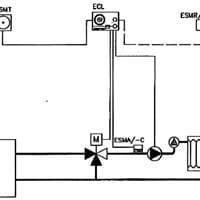
Cambio caldera de gasóleo a gas natural

Quiero cambiar mi caldera de gasóleo por una de gas. Tengo pensado en poner la ThemaFast Condens 30. La instalación consta de suelo radiante, este se controlaba con un sensor de temperatura externo, y el controlador ECL 9310. La instalación neumática...
Ha valorado "Excelente" la respuesta

Fregaplatos Miele G 4100 SC parpadean las 3 luces de desarrollo de programa

respondió: Aquí te dejo el manual de tu lavavajillas... https://www.miele.es/pmedia/ZGA/TX2070/10550980-000-03_10550980-03.pdf Aqui los codigos de errores... https://grupomarcservice.com/miele-instrucciones-codigos-de-error-lavavajillas/ Despiece y...
Ha empezado a seguir a
Ha valorado "Excelente" la respuesta

Saunier Duval Themafast F 24 E, Problema temperatura

respondió: En mi opinión solo puede haber dos posibles causas, o te falla el sensor de la temperatura, o un componente de la placa electrónica, prueba a mover un poco el sensor.