Identificar el comportamiento de la corriente alterna encircuitos RLC

Urgente alguien que me ayude con este por favor.
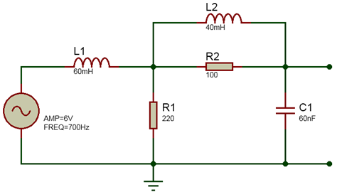
a. Determinar la impedancia del circuito.
b. Hallar la corriente total del circuito.
c. Simular el circuito.
d. Hallar las medidas de impedancia, corriente total y desfase (Señal de voltaje en la fuente y señal de voltaje en C1), mediante el uso del simulador.