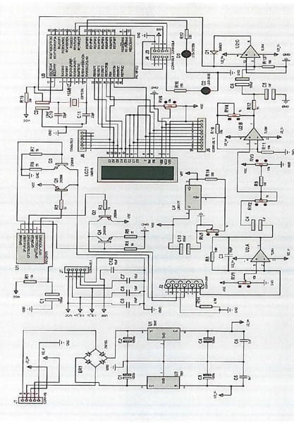
Como reducir el tamaño de un circuito
Tengo en mente un projecto y no se mucho de electronica, inserto jpg con fotos y esquemas de una placa electronica, lo que necesito es reducir el tamaño al maximo posible este circuito, bien cambiando los componentes por microcomponentes o atraves de otras placas que ya llevan incorporado estos componentes como psco etc. Tambien necesito saber si alguien me la fabricaria y que me costaria.
Gracias

