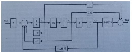
Ciencias e IngenieríaControlSistemas de controlIngeniería Electrónica Diego Alonso Aguirre el 4 jun. 18 Representación en Espacio de Estados Como puedo representar el siguiente diagrama de bloques en Espacio de Estados. Seguir Siguiendo Dejar de seguir