Estabilidad de un sistema según su diagrama de bloques
Buenas a todos:
Me gustaría saber de que forma puedo saber si un sistema es estable o no sin usar la función de transferencia (h(n) ni H(z))
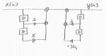
Aquí tienen el diagrama de bloques, según la pista que me dan solo con la definición de estabilidad y el diagrama podría saber si es estable o no.

Se ve pequeñito pero es un sistema que retarda tanto la entrada como la salida 2 instantes, a la izquierda el escalar es un 2 y 5 a la derecha 2 y -3/4
Muchas gracias a todos :D